73 de DL4CS

Ersatzschaltungen für integrierte Schaltungen und Röhren

Integrierte Schaltkreise enthielten anfänglich nur wenige Transistoren und Widerstände. Gerade solche sind heutzutage oft schwierig als Ersatzteile zu bekommen. Sofern im Gerät genügend Platz vorhanden ist, können sie aber oft mit Einzelbauelementen nachgebaut werden. Außerdem sind die Innenschaltungen solcher Schaltkreise gut als Anregung für eigene Schaltungsentwürfe geeignet.

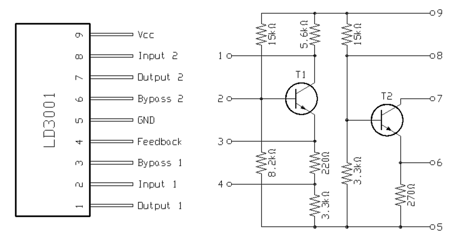
Das NF-Vorverstärker-IC LD3001

Der in Dünnfilm-Hybridtechnik hergestellte integrierte Schaltkreis LD3001 eignet sich vor allem für NF-Vorverstärker und -Treiberstufen, aber auch andere Niederfrequenz- und Gleichstrom-Anwendungen sind denkbar. Vor allem wurde er als Vor- und Treiberstufe in trafogekoppelten NF-Gegentaktverstärkern eingesetzt. Für die nichtlinearen Verzerrungen wird ein THD-Wert von 3% angegeben.

Die Innenschaltung besteht aus insgesamt acht Widerständen und zwei NPN-Transistoren. Der zulässige Versorgungsspannungs-Bereich reicht bis 15 Volt. Das Gehäuse ähnelt der Bauform ZIP-9 und hat die Abmessungen 12 x 10 x 3 mm. Die Anschlüsse sind in Form von Drähten herausgeführt.

Sofern das IC sich im Falle eines Defektes nicht als Ersatzteil beschaffen lässt, kann es problemlos durch die angegebene Innenschaltung ersetzt werden. Unter Verwendung von SMD-Bauteilen kann die Schaltung nahezu ebenso klein wie das Orginal aufgebaut werden.

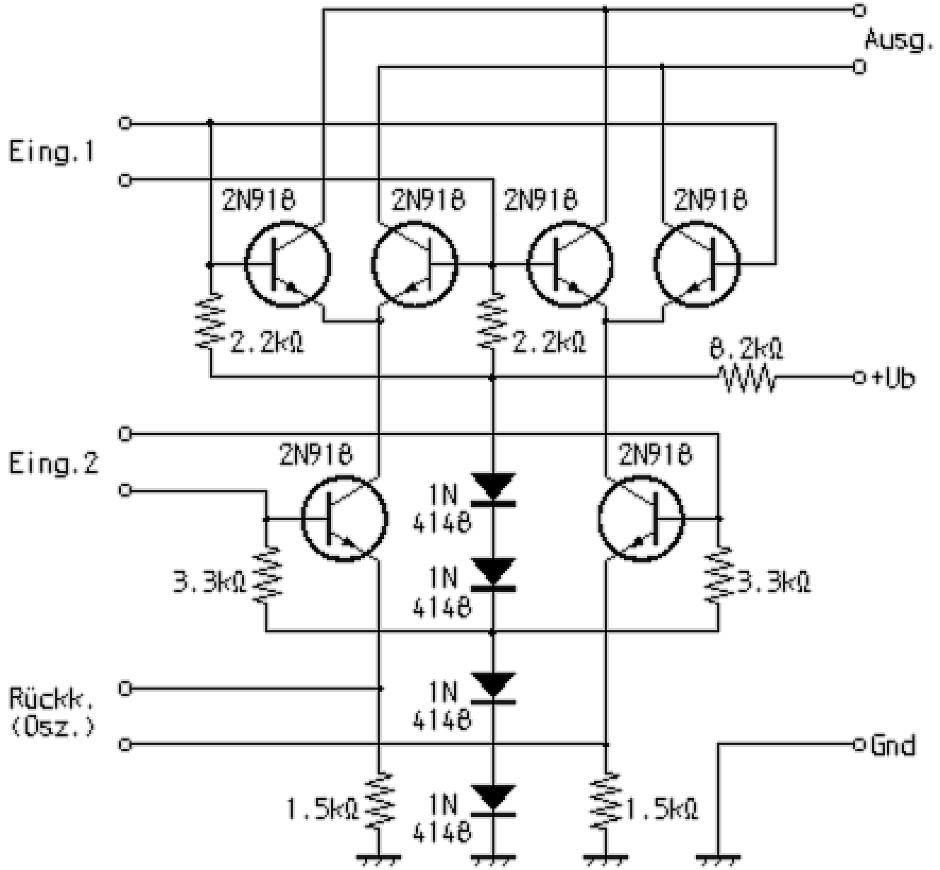
Replacement für das HF-Verstärker/Mischer-IC CA3028A

 

Viele in älteren Empfänger-Bauanleitungen angegebene ICs enthalten recht simple Innenschaltungen. Der Nachbau solcher ICs mit einzelnen Bauelementen ist sehr interessant. Zwar erreicht man damit nicht in allen Schaltungen die selben Eigenschaften bzw. manchmal funktioniert es auch gar nicht, dafür eröffnen sich aber bei damit funktionierenden Schaltungen neue Möglichkeiten: Man kann nun innerhalb des „IC“ Messungen vornehmen und Modifikationen durchführen, die mit den Original-ICs nicht machbar sind.

Außerdem sind einige ältere ICs nur noch schwer beschaffbar, wie z.B. der auf Basis eines Differenzverstärkers arbeitende CA3028A. Er ist oft in alten Empfänger-Schaltungen als Mischer (z.B. Göttinger Baby II) oder als HF-Verstärker anzutreffen. Dafür hier ein Äquivalent mit gebräuchlichen Einzelkomponenten.

Diskret aufgebauter HF-Verstärker LM703

 

Der LM703 enthält wie der CA3028A einen Differenzverstärker, der jedoch etwas anders geschaltet ist. Er wurde in der Empfängertechnik oft als HF-Verstärker eingesetzt. Außerdem fand man ihn verschiedentlich selbst in kommerziell gefertigten Hifi-Rundfunkempfängern in den auf der Frequenz von 10,7 MHz arbeitenden ZF-Stufen des UKW-Teils. Hier die Schaltung des mit einzelnen Komponenten nachgebildeten LM703.

Um eine höhere Grenzfrequenz zu erzielen, kann man HF-Transistoren mit höherer Transitfrequenz verwenden. Wichtig ist dazu aber auch ein möglichst gedrängter Aufbau mit kurzer Leitungsführung. Die Bestückungsseite der Platine sollte mit einer leitenden Massefläche versehen sein.

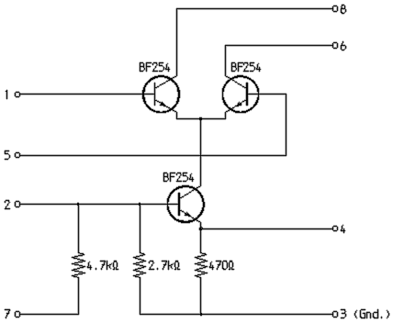
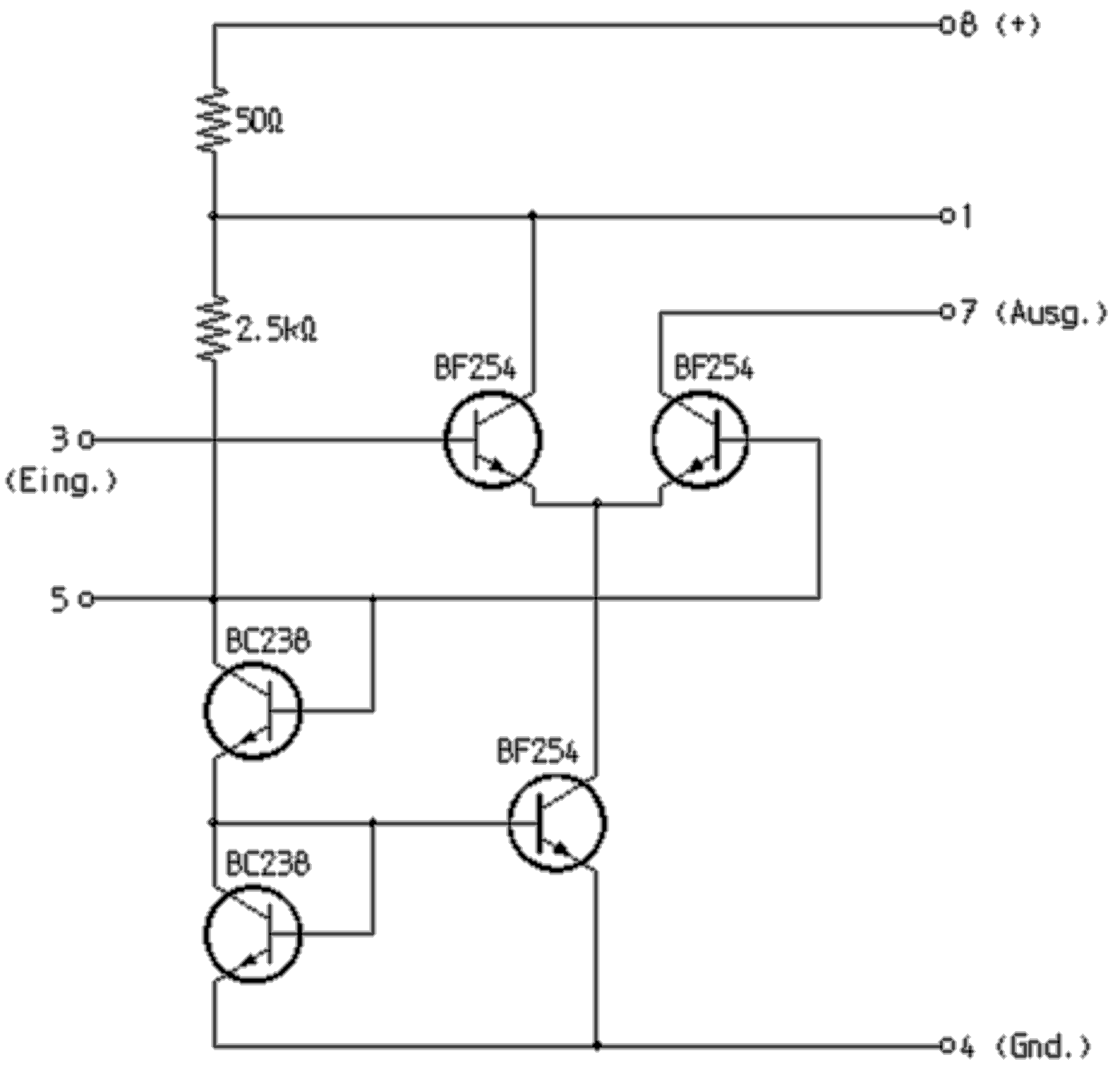
Diskret aufgebauter Mischer SO42P

 

Beim Siemens-Schaltkreis SO42P, dessen Innenschaltung hier gezeigt ist, handelt es sich um einen symmetrischen Mischer, der nach dem Prinzip der sogenannten Gilbert-Zelle arbeitet. Er kann auch als selbstschwingender Mischer mit oder ohne Quarzsteuerung betrieben werden. Ferner ist der Einsatz als Balance-Modulator in SSB-Sendern oder als Phasenvergleicher in PLL-Schaltungen möglich.

Beim Nachbau der HF-ICs sollten möglichst kleine Leitungslängen eingehalten werden. Nur so kommen die Schaltungen den integrierten Vorbildern in ihren Eigenschaften nahe. Wichtig ist der Einsatz induktionsarmer Widerstände. Gegebenenfalls lassen sich die Eigenschaften der Schaltungen mit von den angegebenen Transistoren abweichenden Typen verbessern, die eine höhere Transit- bzw. Grenzfrequenz aufweisen.

Diskret aufgebauter Operations-Verstärker

 

Dies ist der Schaltplan eines diskret, d.h. aus einzelnen Bauelementen aufgebauten Operationsverstärkers.

Die Schaltung kann zum Aufbau der gängigen OPV-Grundschaltungen, wie z.B. invertierender Verstärker, nichtinvertierender Verstärker, Spannungsfolger, Komparator, Integrator, Differenzierer usw. verwendet werden.

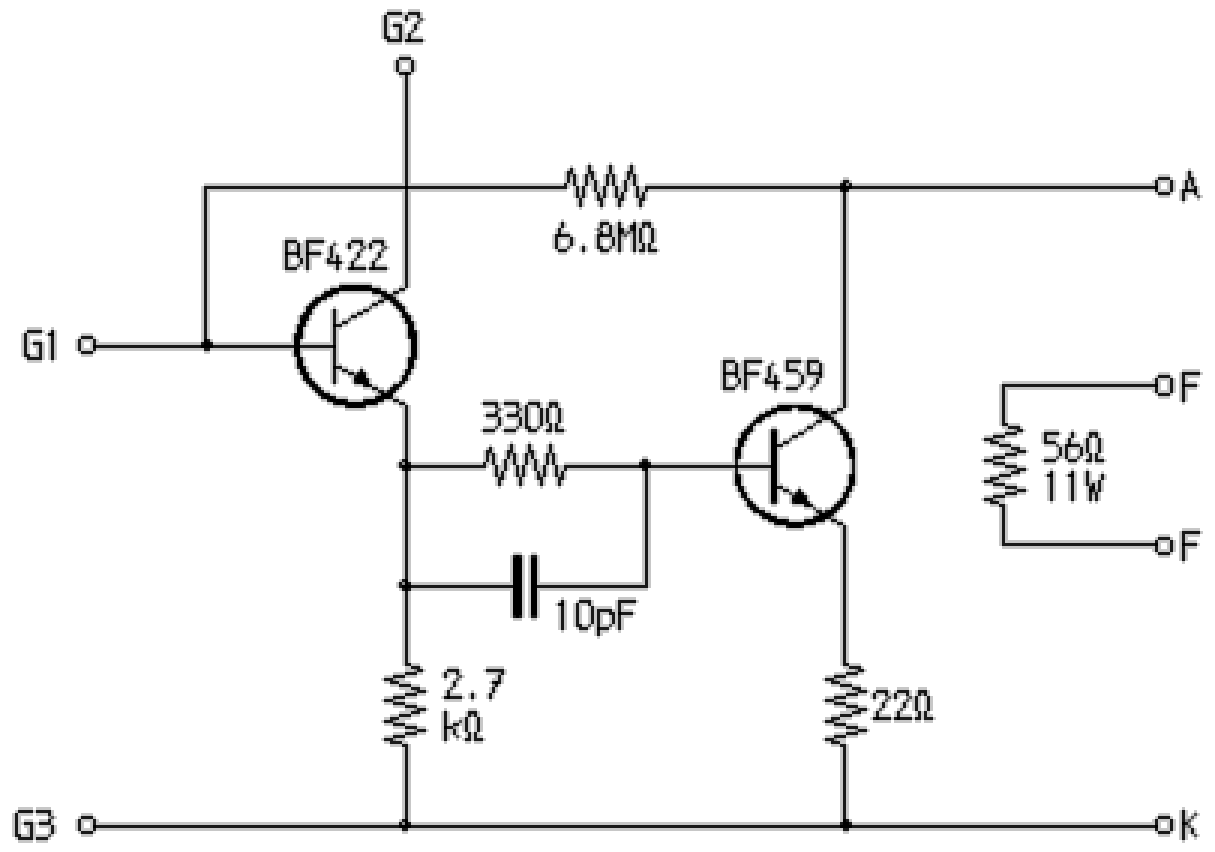
Transistor-Pseudoersatz für die Röhre PL81

 

Die hier gezeigte Schaltung konnte anstelle der PL81 in ihrer Standard-Anordnung laut Datenblatt als Ersatz in alten TV-Empfängern oder Video-Monitoren verwendet werden.

Damit handelte es sich allerdings nicht um einen vollwertigen Ersatz der PL81. Die Schaltung funktionierte eben nur in solchen und nicht in allen mit dieser Röhre möglichen Schaltungen. Der 56-Ohm-Widerstand setzte die Heizleistung nutzlos in Wärme um, damit der Heizkreis des Gerätes nicht unterbrochen wurde. Somit konnte die Schaltung, mit einem Noval-Stecker verbunden, ersatzweise in den Röhrensockel für die PL81 gesteckt werden. Der BF459 benötigt dabei selbstverständlich eine Kühlfläche.

Es wäre ja mal interessant zu untersuchen, wie sich eine solche oder ähnliche Schaltung als single-ended Class-A-Verstärker oder auch als Gegentaktverstärker für Audio-Anwendungen verhält. Da die Vertikal-Endstufe genau genommen nichts anderes wie ein NF-Verstärker ist, sollte das eigentlich funktionieren.