73 de DL4CS

Ein Netzgerät für das Hobbylabor

Diese Schaltung zeigt ein einfaches Netzgerät mit einstellbarer Ausgangsspannung und Strombegrenzung, welches sich gut fürs Hobbylabor eignet. Ein so aufgebautes Gerät hat mir vor vielen Jahren, als Labornetzgeräte noch richtig teuer waren, gute Dienste geleistet.

Völlig zurecht kam vor einer Weile von Karl-Heinz (DL6HAH) der Einwand, dass es günstiger sei, das Amperemeter direkt in die Emitterleitung vom 2N3055 einzufügen. So wird auch der Spannungsabfall am Messinstrument durch die Regelung kompensiert.

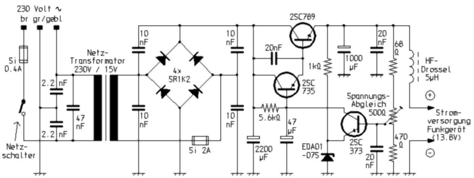
Entstörtes Netzteil zum Betrieb von Funkgeräten

Beim Netzbetrieb von Funkgeräten kommt es oft zu Problemen, weil das Netzgerät in einem nicht ausreichenden Maße einstrahlfest ist. Die Auswirkungen einer unzureichenden Einstrahlfestigkeit beim Netzgerät sind meist, daß es beim Sendebetrieb, bei SSB- oder AM-Geräten auch durch die Modulation, zu recht großen Änderungen der Ausgangsspannung kommt. Ungünstigerweise kann die Spannung dabei ansteigen, wodurch es zu Schäden am Funkgerät kommen kann. Häufig ist dabei aber auch ein starker Abfall der Spannung beim Senden bzw. Modulieren zu beobachten. Fälschlicherweise wird dann oft angenommen, das Netzgerät sei zum Betrieb des Funkgerätes zu schwach. Hier ist eine mit einzelnen Transistoren aufgebaute Netzteilschaltung gezeigt, bei der diverse Maßnahmen ergriffen wurden, Einstrahlungen vom Sender des Funkgerätes zu vermeiden. Zugleich ist damit das Eindringen von Störsignalen über das Stromnetz weitestgehend unterbunden. Insbesondere im KW-Gebiet hat das oft auch einen ruhigeren Empfang zur Folge.

Die auf den ersten Blick etwas aufwändiger erscheinende Schaltung enthält diverse Teile zur Unterdrückung von möglichen Einstrahlstörungen. Die Kondensatoren schließen gegebenenfalls auftretende Hochfrequenzen kurz, durch die Spule werden solche Signale gesperrt. Für die reine Funktion der Schaltung wären jene Teile also nicht erforderlich.

Das Netzgerät ist für die übliche Ausgangsspannung von 13,8 Volt ausgelegt. Sie kann aber mit dem Trimmpotentiometer in gewissen Grenzen auch auf abweichende Werte gebracht werden kann. Je nach gewünschter Stromabgabe muss gegebenenfalls anstelle des 2SC789 ein stärkerer Typ verwendet werden. Dieser muss in jedem Falle auf einem Kühlkörper montiert werden. Selbstverständlich müssen für höhere Stromwerte auch der Trafo und der Gleichrichter entsprechend ausgelegt sein. Bei deutlich größeren Werten ist außerdem der Siebelko entsprechend anzupassen, also z.B. 3300 oder 4700µF anstelle der im Schaltbild angegebenen 2200µF.

Die Schaltung eignet sich für eigenständige Zubehörgeräte oder -wie hier gezeigt- als Teil eines für den Netzbetrieb gedachten Feststations-Funkgerätes.