Die Anfänge des CB-Funks in Deutschland
In Deutschland gab es nach dem zweiten Weltkrieg für den Amateurfunk während der Aufteilung in vier Besatzungszonen zunächst keine rechtliche Grundlage. Mit einfachen Anlagen, üblicherweise bestehend aus einem einfachen Rückkopplungs-Empfänger und einem einstufigen Sender namen mancherorts Stationen trotz Strafandrohung mit selbst erfundenen Rufzeichen den Funkbetrieb auf. Man arbeitete ausschließlich in Telegrafie, kommunizierte also per Morsezeichen. Auch in Deutschland hatten viele als Soldat tragbare und leicht bedienbare Sende-Empfangsgeräte für den Sprechfunk kennengelernt. Gegen Kriegsende war die deutsche Wehrmacht mit größeren Stückzahlen sogenannter Kleinfunksprecher ausgerüstet worden. Hier war vor allem das auch unter dem Namen Dorette bekannte Modell „d“ für den Frequenzbereich von 32 bis 38 MHz weit verbreitet. Solche Transceiver waren zwar etwas aufwändiger aufgebaut, wie der amerikanische BC222, aber auch hier verwendete man einen Geradeausempfänger mit Überrückkopplung, der beim Senden als Oszillator diente. So bestimmte derselbe Schwingkeis beim Empfangs- und beim Sendebetrieb die Betriebsfrequenz.
Ende der 1940er Jahre schlossen sich nach Legalisierung des Amateurfunks in Deutschland viele Funk-Interessierte der Amateurfunk-Bewegung an. Einige beschäftigten sich mit dem Selbstbau einfacher Transceiver, für die viele Bauanleitungen veröffentlicht wurden. Sie waren schaltungstechnisch zumeist einfacher gehalten, wie die Dorette und orientierten sich eher am Aufbau des BC222. Nach Kriegsende wurden über den Funk-Fachhandel bald auch große Mengen ausgemusterter Millitärgeräte angeboten, darunter auch die Dorette. Neben dem Selbstbau wurde nun solche Geräte von Funkmateuren daher gern für den Betrieb auf den Amateurbändern modifiziert. Prinzipiell genügte es, die Geräte auf den Amateurbereich herunterzutrimmen. Durch Bandspreizung mit Parallelkondensatoren konnte der Frequenzbereich auf das 10m-Band reduziert werden.
Zu Zeiten des Wirtschaftswunders entwickelte sich zugleich ein großes Interesse am Modellbau-Hobby und der Möglichkeit, die selbstgebauten Modelle per Funk fernsteuern zu können. Fernsteuerungen und Schaltungen für Sender und Empfänger wurden daher in der Fachpresse und -Literatur zu Hauf veröffentlicht. Am häufigsten fand man Bauanleitungen für Anlagen, die im 27 MHz-Bereich arbeiteten. Für die ebenfalls zugewiesene Frequenz von 13,56 MHz musste ein zu großer Antennenaufwand getrieben werden. Im damals ebenfalls für Modell-Fernsteuerungen zugelassenen 70cm-Gebiet war der technische Aufwand im Sender und Empfänger deutlich höher. Weil das 27-MHz-Band recht dicht neben dem 10m-Amateurband liegt, kam mancheiner auf die Idee, die veröffentlichen Sender- und Empfängerschaltungen illegalerweise für Sprachübertragungen zu verwenden. Außerdem wurde der Wunsch nach privaten drahtlosen Kommunikationsmöglichkeiten immer lauter, bei denen nicht jeder Teilnehmer eine Lizenz haben muss. Etwa ab Ende der 1950er Jahre wurden daher im 27-MHz-Gebiet in Deutschland zunehmend illegal Sprechfunkanlagen betrieben. Man verwendete dafür Selbstbaugeräte entsprechend der Bauanleitungen für das 10m-Band, zweckentfremdete Schaltungen für Fernsteuerzwecke oder umgetrimmte Millitärgeräte.
Mit der zunehmenden Verbreitung der Halbleitertechnik versuchten japanische Hersteller mit ihren transistorisierten Sprechfunkgeräten weltweit Märkte zu erobern. Solche Geräte wurden zunehmend auch in Deutschland angeboten. Zunächst waren dies vor allem tragbare Funksprechgeräte, die sich einhändig bedienen ließen, über eine eingebaute Antenne und ein Batteriefach verfügten und in die bei Betätigung der Sendetaste direkt hineingesprochen werden konnte. Für solche Handfunksprechgeräte etablierte sich bald der Begriff Walkie-Talkie. Einfachere solcher Geräte hatten einen Superregenerativ- bzw. Pendelempfänger und einen einstufigen Sender. Sie waren oft nur mit vier Transistoren bestückt. Etwas bessere Geräte hatten einen einfach gehaltenen Superhetempfänger und einen zweistufigen Sender und arbeiteten insgesamt meistens mit sieben bis neun Transistoren. Luxuriösere Geräte verwendeten 12 Transistoren und mehr und verfügten über umschaltbare Kanäle, eine eingebaute Rauschsperre (Squelch), Anschlüsse für eine externe Stromversorgung und eine Fahrzeug- oder Stationsantenne. All solche Geräte wurden entweder in Amateurversionen für das 10m-Band oder als Geräte für den 27-MHz-Bereich angeboten. Die 10m-Geräte waren im Lieferzustand zumeist für den Betrieb auf der Frequenz 28,500 MHz bequarzt. Bei Mehrkanal-Geräten mussten für die Verwendung weiterer Kanäle die dazu erforderlichen Quarze nachbestellt werden. Einfache Geräte für den 27-MHz-Bereich arbeiteten zunächst oft auf der auch für Modellfernsteuerungen freigegebenen ISM-Frequenz von 27,12 MHz. Die eigentlich vorgesehene Nutzung dieses Frequenzbereichs waren (und sind auch heute noch) Hochfrequenzgeräte für industrielle, medizinische und wissenschaftliche Zwecke, wie z.B. medizinische Bestrahlungsgeräte oder Laser-Schweißanlagen. ISM steht dabei für die entsprechenden englischen Worte Industrial, Scientific und Medical. Da für 27 MHz die ISM-Frequenz lediglich die relativ große Frequenztoleranz von ± 0,006 % einzuhalten war, kamen in diesem Bereich für Sprechfunkanwendungen unter Berücksichtigung der Bandbreite eines AM-Signals Sprechkanäle auf Frequenzen zwischen 26,96 und 27,28 MHz in Betracht.
Im Jahre 1959 wurde in Deutschland die sogenannte FTZ-Nr. eingeführt und für Sprechfunkanlagen ab 1960 grundsätzlich zur Pflicht. FTZ war dabei die Abkürzung für fermaldetechnisches Zentralamt. Erst nach einer durch jene Behörde durchgeführten Prüfung wurde eine FTZ-Nummer erteilt und war durch den Funkgeräte-Hersteller deutlich sichtbar am Gerät anzubringen. Dabei ging es vor allem um einzuhaltene technische Daten, wie Sendeleistung, verwendete Betriebsfrequenzen und insbesondere auch die Unterdrückung unerwünschter Nebenausstrahlungen. Zunächst erhielten z.B. UKW-Funksprechanlagen für den Taxi- bzw. Betriebsfunk solche FTZ-Nummern, welche dann mit dem Anfangsbuchstaben E begannen. Im Frühjahr 1963 erfolgte dann auch die Einführung von FTZ-Nummern mit dem Anfangsbuchstaben K für sogannannte „Sprechfunkanlagen kleiner Leistung für den Frequenzbereich von 26.960 bis 27.280 kHz“. Damit wurde die Verwendung von Funkgeräten für den 27-MHz-Bereich in Deutschland legalisiert. Die Verwendung der Geräte wurde jedoch an Bedingungen geknüpft. Vor allem musste bei der Post eine Genehmigung beantragt werden und der Antrag hinreichend begründet werden. Ein entscheidendes Kriterium für die Ausstellung von Genehmigungs-Urkunden war, dass für die vorgesehene Nutzung das öffentliche Fernsprechnetz nicht in Frage kam. Je nach Verwendungszweck der Funkgeräte wurden Genehmigungen für eine der dazu eingeführten Kanalgruppen I bis V erteilt.
Gruppe I
vorgesehen für Organe mit Sicherheitsaufgaben (z.B. Polizei, Feuerwehr, Zoll, DRK, THW, DLRG):
Kanal 1: 26,965 MHz (auch heute beim CB-Funk Kanal 1)
Kanal 2: 26,975 MHz (auch heute beim CB-Funk Kanal 2)
Kanal 3: 26,985 MHz (auch heute beim CB-Funk Kanal 3)
Kanal 4: 26,995 MHz (für den CB-Funk später nicht mehr zulässig)
Kanal 5: 27,005 MHz (heutiger CB-Kanal 4)
Kanal 6: 27,015 MHz (heutiger CB-Kanal 5, wurde erst Anfang der 1970er Jahre hinzugefügt)
Kanal 7: 27,025 MHz (heutiger CB-Kanal 6, wurde erst Anfang der 1970er Jahre hinzugefügt)
Kanal 8: 27,035 MHz (heutiger CB-Kanal 7, wurde erst Anfang der 1970er Jahre hinzugefügt)
Gruppe II
vorgesehen für Behörden und Verbände, die Aufgaben im öffentlichen Interesse zu erfüllen haben (z.B. Versorgungsunternehmen der Bereiche Gas, Wasser oder Elektrizität, Vermessungsämter, Gemeinde- oder Stadtverwaltungen):
Kanal 9: 27,045 MHz (für den CB-Funk später nicht mehr zulässig, erst Anfang der 1970er Jahre hinzugefügt)
Kanal 10: 27,055 MHz (heutiger CB-Kanal 8)
Kanal 11: 27,065 MHz (heutiger CB-Kanal 9)
Kanal 12: 27,075 MHz (heutiger CB-Kanal 10)
Kanal 13: 27,085 MHz (heutiger CB-Kanal 11)
Gruppe III
vorgesehen für den inneren Betrieb in Industrieunternehmen, Speditionen sowie Hoch- und Tiefbauunternehmen (z.B. zur Verständigung an Baustellen):
Kanal 14: 27,155 MHz (heutiger CB-Kanal 16)
Kanal 15: 27,165 MHz (heutiger CB-Kanal 17)
Kanal 16: 27,175 MHz (heutiger CB-Kanal 18)
Kanal 17: 27,185 MHz (heutiger CB-Kanal 19)
Kanal 18: 27,195 MHz (für den CB-Funk später nicht mehr zulässig, erst Anfang der 1970er Jahre hinzugefügt)
Gruppe IV, vorgesehen u.a. für Sportvereine bzw. der Förderung des Sports dienende Nutzung sowie wirtschaftliche Zwecke in Handel und Gewerbe:
Kanal 19: 27,205 MHz (heutiger CB-Kanal 20, wurde erst erst Anfang der 1970er Jahre hinzugefügt)
Kanal 21: 27,225 MHz (heutiger CB-Kanal 22)
Kanal 22: 27,235 MHz (heutiger CB-Kanal 24)
Kanal 23: 27,245 MHz (heutiger CB-Kanal 25)
Kanal 24: 27,255 MHz (heutiger CB-Kanal 23)
Kanal 25: 27,265 MHz (heutiger CB-Kanal 26)
Kanal 26: 27,275 MHz (heutiger CB-Kanal 27)
Gruppe V, vorgesehen für Anwendungen, für die die Frequenzgruppen I bis IV nicht infrage kommen:
Kanal 20: 27,215 MHz (heutiger CB-Kanal 21)
Faktisch war die Benutzung von 27-MHz-Funkgeräten für Privatpersonen mit diesen Regelungen nur sehr eingeschränkt möglich. Nur wer beim Genehmigungsantrag gut argumentieren konnte oder im Besitze eines Gewerbescheins war, hatte die Chanche auf eine Genehmigung für die Frequenzgruppe IV oder V. Die Nutzung von Frequenzen der Gruppen I und II waren für private Zwecke vollkommen ausgeschlossen. Firmen-Inhaber und Mitarbeiter nutzten die für betriebliche Zwecke genehmigten Funkgeräte auf der Frequenzgruppe III oft nicht nur für betriebliche Zwecke und manchmal sogar ausschließlich für private Zwecke, obgleich das so eigentlich nicht vorgesehen war. Zulassungen der Gruppe V wurden unter anderem im medizinischen oder pflegerischen Kontext erteilt. Bei den meisten in dieser Zeit zugelassenen Funkgeräten handelte es sich um Handfunkgeräte. Zulassungsfähige Geräte mit FTZ-Nummer arbeiteten ausnahmslos mit quarzgesteuerten Superhet-Empfängern. Sehr verbreitet waren zunächst einfache Einkanalgeräte ohne Squelch, deren Rang aber bald von Geräten mit zwei oder drei schaltbaren Kanälen und einstellbarer Rauschsperre abgelaufen wurde. Solche Geräte verfügten meistens auch über einen Anschluss für eine externe Antenne, so dass im Zusammenhang mit ihrer größeren Sendeleistung deutlich größere Reichweiten erzielt werden konnten. Zugleich stieg der Marktanteil von Fahrzeug-Funkgeräten, die zumeist über sechs schaltbare Kanäle verfügten. Solche Geräte stationär mit einem Netzteil zu betreiben, war von wenigen Ausnahme-Genehmigungen abgesehen unzulässig.
Eine besondere Bedeutung auf dem Weg zum für jedermann zugänglichen CB-Funk kam aber der Gruppe IV zu. Hier hatten auch Inhaber kleiner Firmen Chancen auf eine Funkgehmigung. Nur um eine solche zu erhalten, wurden mitunter phantasievoll Einführungen neuer Dienstleistungen erfunden, die aber niemals in die Tat umgesetzt wurden. Auch der sportliche Bereich konnte sehr weit ausgelegt werden, um an Funkgenehmigungen zu kommen. Bei guter Argumentation gelang es sogar, diese für organisatorische Zwecke bei Seifenkisten-Rennen oder früher etwas spöttisch als Kaffeefahrten bezeichneten kleinen privaten Auto-Rallyes zu erhalten. Im Umfeld mehr oder auch weniger ernsthaften Motorsports enstanden in ganz Deutschland Clubs, die in ihrer Satzung als Vereinsziel kostenlose Pannenhilfsdienste für Autofahrer angaben. Sie bekamen großen Zulauf an Mitgliedern, denen es in erster Linie darum ging, eine Genehmigung für den Betrieb eines 27-MHz-Funkgerätes zu erhalten. Für solche Zwecke wurden die Genehmigungen ebenfalls für den Betrieb auf den Frequenzen der Gruppe IV erteilt. Mit der rasanten Zunahme von Funkgenehmigungen entwickelte sich auf diesen mit A, B, C, D, E, und F bezeichneten sechs Kanälen ein "Plauderfunk" mit immer mehr Teilnehmern. Die Mitglieder erhielten Vereinsübergrifend gleiche Rufnahmen, die von einer laufenden Nummer gefolgt waren (z.B. "Edelweiß 67" oder "Panther 31") und die so in ihre Genehmigungs-Urkunden eingetragen wurden. Infolge der großen Anzahl der Teilnehmer war es behördlicherseits durch Abhören der Frequenzen kaum noch überprüfbar, ob alle Teilnehmer tatsächlich im Besitze einer Genehmigung waren, denn die Rufnahmen wurden gern auch mal an Freunde "verliehen".
Zwar geriet der Funkbetrieb auf den Frequenzen der Gruppe IV in gewisser Weise außer Kontrolle, es zeigte sich aber, dass niemandem daraus ein ernsthafter Schaden entstand. So wurden bei der damals für Funk-Angelegenheiten zuständigen Oberpostdirektion sowie in der Politik Stimmen lauter, welche sich in Anlehnung an den amerikanischen CB-Funk für einen für jedermann freien Funk einsetzten. Doch der Widerstand war gewaltig und Gegner prophezeiten den baldigen Untergang des Abendlandes, wenn sich nun Spione und Terroristen ungehindert dieser Technik bedienen könnten. Gerade hatte man die Bestimmungen für 27-MHz-Funkgeräte noch an den zunehmenden Bedarf und die technische Weiterentwicklung angepasst, als zum 1. Juli 1975 - selbst für viele Insider überraschend - im 27 MHz-Gebiet zwölf Kanäle für die Nutzung durch jedermann freigegeben wurden. Bei der Auswahl der Frequenzen achtete man darauf, dass die Kanäle der Gruppen III bis V davon unberührt blieben, die dortigen Nutzer ihre Geräte also in der bisherigen Weise weiter verwenden konnten. Lediglich die Gruppen I und II verloren Kanäle an den neuen Jedermannfunk, darunter zum Teil auch solche, die gerade erst eingeführt worden waren. Die bei der Gruppe I verbliebenen vier Kanäle am unteren Bandende genügten inzwischen, da es hier ohnehin kaum noch Bedarf gab. Vereinzelt nutzte die Kripo noch 27-MHz-Handfunkgeräte für die Spurensicherung, doch nach und nach ersetzte die Polizei, wie auch kleinere freiwillige Feuerwehren oder Hilfdienste wie die DLRG, ihre letzten noch vorhandenen 27-MHz-Geräte durch UKW-FM-Funksprechgeräte für die BOS-Kanäle im 2m- bzw. im 4m-Band. Inzwischen waren auch hierfür Handfunksprechgeräte verfügbar, die zudem viel hochwertiger wie die bislang benutzten Funkgeräte waren. Auch für die Gruppe II gab es daher inzwischen fast keine Nutzer mehr.
Zum 1. Juli 1975 in Deutschland für jedermann freigegebene 27-MHz-Kanäle:
|
Kanal 4: 27,005 MHz Kanal 5: 27,015 MHz Kanal 6: 27,025 MHz Kanal 7: 27,035 MHz |
Kanal 8: 27,055 MHz Kanal 9: 27,065 MHz Kanal 10: 27,075 MHz Kanal 11: 27,085 MHz |
Kanal 12: 27,105 MHz Kanal 13: 27,115 MHz Kanal 14: 27,125 MHz Kanal 15: 27,135 MHz |
Insbesondere die Kanäle von 27,105 bis 27,135 MHz waren in Ballungsräumen und vor allem tagsüber unattraktiv, da sie dicht an der ISM-Frequenz von 27,12 MHz lagen. Hier waren die durch industrielle, medizinische und wissenschaftliche Frequenznutzer verursachten Störungen infolgedessen oft am stärksten, so dass diese Kanäle für kommerzielle Sprechfunk-Anwender ohnehin unbrauchbar waren. Einige Hersteller verwendeten bei ihren mit 12 schaltbaren Kanälen ausgerüsteten Geräten die Kanalbezeichnungen A bis L. Zugleich waren noch viele Geräte mit sechs oder weniger Kanälen im Gebrauch. Bei anderen Zwölfkanal-Geräten, etwa der ersten Serie der Eingangs gezeigten DNT-Feststation Meteor 5000, war der Kanalschalter mit den Ziffern 1 bis 12 beschriftet, obwohl es sich bei den nun in Deutschland für den Jedermannfunk zugelassenen Frequenzen um die internationalen CB-Kanäle 4 bis 15 handelte. Erst nach und nach setzten sich diese Kanalbezeichnungen durch, wozu ursprünglich für den US-amerikanischen Markt entwickelte Geräte beitrugen, bei denen der Kanalschalter mit den internationalen Kanalbezeichnungen 1 bis 23 beschriftet war. Bei solchen Geräten waren, für die Bestimmungen in Deutschland angepasst, die Kanäle 1 bis 3 sowie 16 bis 23 infolge einer mechanischen Sperre nicht schaltbar, außerdem fehlten die dafür benötigten Quarze. Mit dem Kanalschalter ließen sich folglich nur die Kanäle von 4 bis 15 auswählen.
Neu war, dass von nun an auch netzbetriebene Geräte für den stationären Gebrauch zugelassen wurden. Die HF-Ausgangsleistung dieser Geräte, welche FTZ-Nummern mit den Anfangsbuchstaben KF trugen, war auf 0,5 Watt limitiert. Um eine Konkurrenz zum drahtgebundenen Fernsprechnetz zu unterbinden, war der Funkbetrieb von Feststation zu Feststation untersagt – eine Regelung, an die sich in der Praxis allerdings kaum gehalten wurde. Außerdem mussten diese Geräte bei der deutschen Bundespost angemeldet werden. Der jeweilige Besitzer erhielt dann einen eingetragenen Rufnahmen, der beim Funkbetrieb zu nennen war. Mit gewissen Einschränkungen wurden bei der Namensvergabe die Wünsche der Genehmigungsinhaber berücksichtigt. Für diese sogenannten Heimstationen musste außerdem eine recht hohe monatliche Gebühr von DM 15,- an die Deutsche Bundespost entrichtet werden. Der Betrieb von Fahrzeug- und Handfunkgeräten, deren FTZ-Nummern mit der Zeichenfolge PR27 begannen und die mit /M bzw. /P für mobil oder portabel endeten, war hingegen gebührenfrei und ihre Besitzer wurden nicht registriert. Für diese Geräte gab es eine Allgemeine Genehmigung für bewegliche Sprechfunkgeräte kleiner Leistung im Frequenzbereich 26960 … 27280 kHz mit FTZ-Serienprüfnummer der Kennbuchstabenreihe „PR27...“. Aus jenem beim Betrieb stets mitzuführenden Dokument waren die wichtigesten Bestimmungen für den Betrieb dieser Geräte zu entnehmen. Der Begriff CB-Funk tauchte darin nicht auf. Offiziell wurde dieser für den sogenannten Jedermannfunk in Deutschland erst viele Jahre später eingeführt.
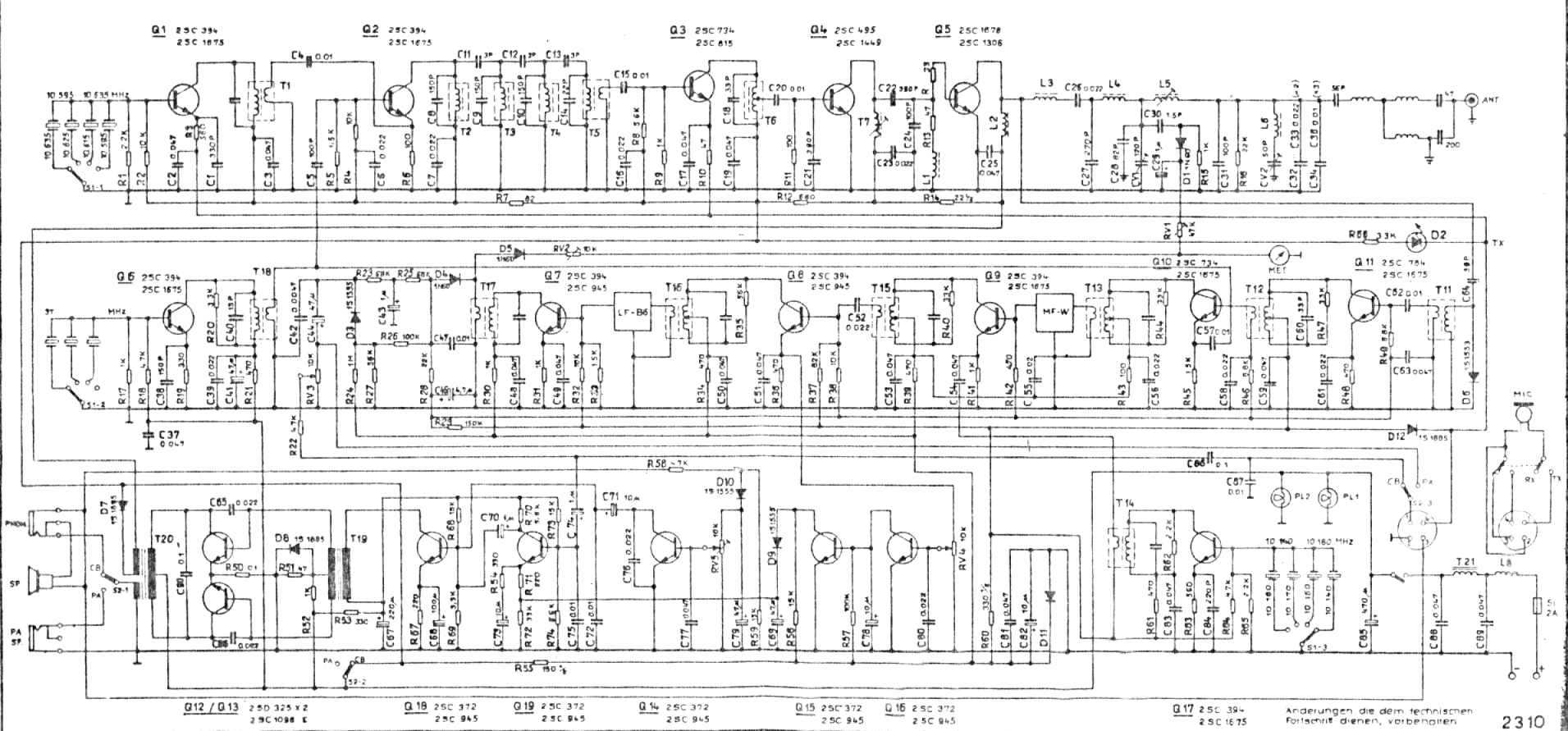
Schaltpläne typischer Autofunkgeräte aus der Anfangszeit des CB-Funks in Deutschland
- 6/8-Kanal-Autofunkgerät Sommerkamp TS-750 mit Einzelquarzen
- 12-Kanal-CB-Autofunkgerät Kaiser KA-9012L mit Doppelsuperhet-Empfänger und Einzelquarzen
- 12-Kanal-CB-Autofunkgerät Stabo SM-12 mit Mischsynthese-Frequenzerzeugung
- 12-Kanal-CB-Autofunkgerät DNT Commando 2310 mit Doppelsuperhet-Empfänger (Mischsynthese)
- 12-Kanal-CB-Autofunkgerät Mainton AFG-1010 mit Doppelsuperhet-Empfänger (Mischsynthese)
- 12-Kanal-CB-Autofunkgerät N-Transceiver 527 mit Doppelsuperhet-Empfänger (Mischsynthese)
- 12-Kanal-CB-Autofunkgerät N-Transceiver 528 mit Doppelsuperhet-Empfänger (Mischsynthese)
- 12-Kanal-CB-Autofunkgerät Universum ASG 1572 mit Doppelsuperhet-Empfänger (Mischsynthese)