73 de DL4CS

Sanaphantastron Internet-Radio

Dieses Internet-Radio spielt Musik von meiner Webseite sanaphantastron.de. Durch Klicken auf "up" und "down" kann ein anderes Programm gewählt werden, das sich mit zufälliger Titelauswahl fortsetzt.



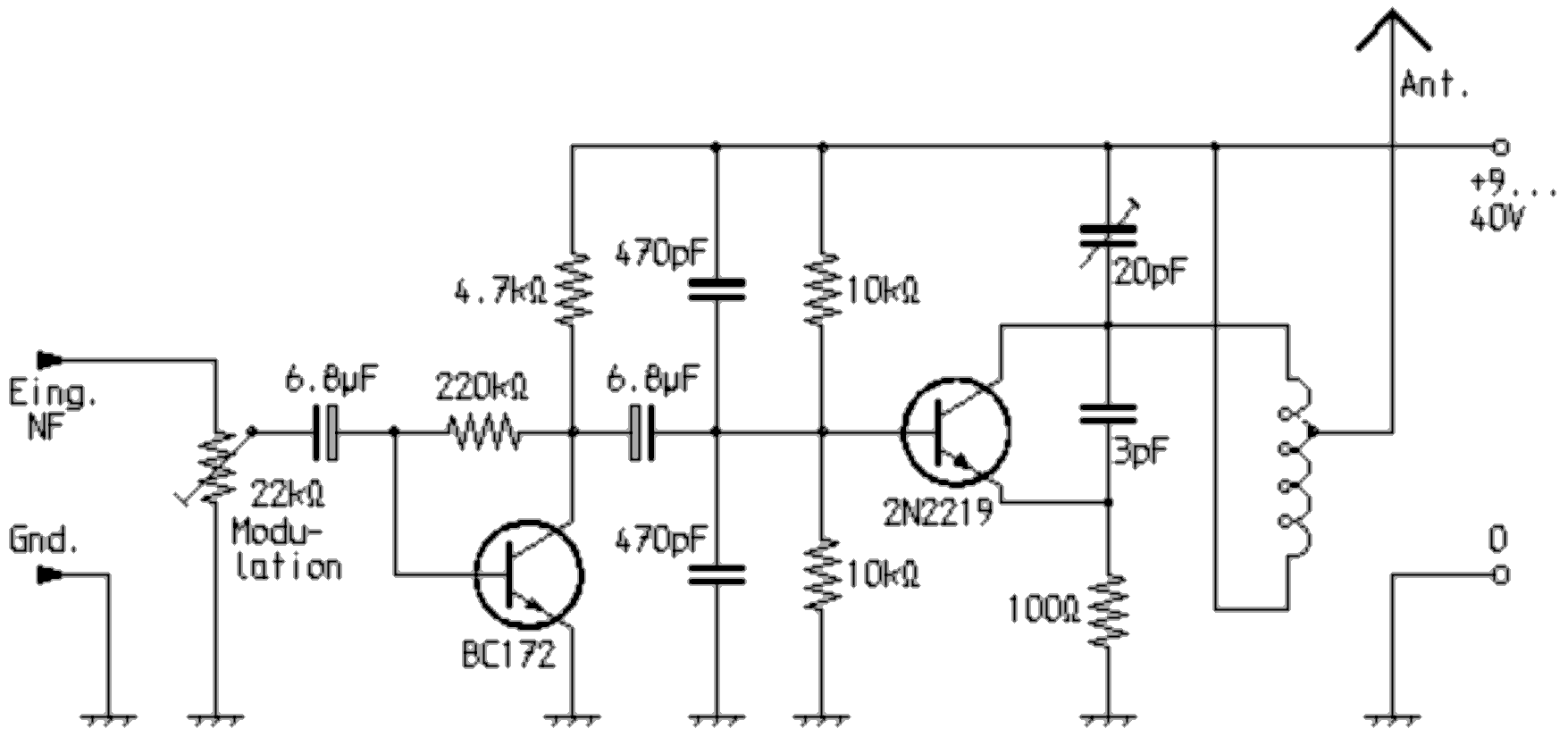
Wohl fast jeder, der sich früher hobbymäßig mit Funk und Elektronik beschäftigte, kennt den in den 1970er Jahren von der Firma Josty-Kit als Bausatz vertriebenen UKW-Sender HF65. Die meisten haben bestimmt auch mal mit einem solchen Sender experimentiert. Er arbeitete im UKW-Rundfunkband und erreichte bei maximaler Versorgungsspannung eine HF-Leistung von bis zu einigen 100mW und dementsprechend große Reichweiten.

Allerdings ließ die Frequenzstabilität sehr zu wünschen übrig. Man benötigte zum Empfang ein Radio mit großem AFC-Fangbereich, wenn man nicht immerzu nachstimmen wollte. Achtung: der Betrieb solcher Sender war und ist verboten! Man handelt sich auch heute nocht, trotz veränderter Gesetzeslage, unter Umständen großen und kostspieligen Ärger ein! Hier die Schaltung:

Ich möchte hier anregen, die Aussendung von Rundfunk-ähnlichen Sendungen einschließlich Musikdarbietungen, Hörspielen usw. im Rahmen des Amateurfunks unter gewissen Auflagen künftig über Radio DARC hinaus auch einzelnen Amateuren zu erlauben. Hier die Eckpunkte meines Vorschlags:

1. Festlegung auf Betriebsarten, die eine Konkurrenz zum kommerziellen und öffenlich-rechtlichen Rundfunk verhindern, z.B. AM bzw. digitale Äquivalente.

2. Festlegung auf einen begrenzten Frequenzbereich, z.B. den relativ wenig benutzten Bereich um 29 MHz. Auf jeden Fall sollte der Frequenzbereich mit etwas besseren Weltempfängern aufnehmbar sein.

3. Für die Inhalte dürfen generell keine kommerziellen oder institutionellen Verwertungsreche vorliegen, d.h. wenn sich jemand eine -in der Regel kostenpflichtige- Genehmigung z.B. bei der GEMA besorgt, dürfte er solche Musik im Rahmen eines Amateur-Rundfunks trotzdem nicht aussenden. Selbst gemachte oder von Freunden gemachte Musik wäre dem gegenüber aber ohne Einschränkungen zulässig, sofern es sich um eigenen Kompositionen handelt.

4. Einführung einer erweiterten Lizenzklasse, welche solchen Betrieb gestattet. Hier erweiterte Prüfungsinhalte insbesondere in Bezug auf Urheber- und Verwertungsrechte.

Mit Umsetzung eines solchen Amateur-Rundfunks könnte von uns Funkamateueren meines Erachtens ein guter Beitrag zur kulturellen Vielfalt im Rundfunk und in der Gesellschaft insgesamt geleistet werden.