+++ 73 DE DL4CS +++

UKW-Radioempfänger mit AN7213 und TA7303

Hier die Schaltung eines einfach aufzubauenden Superhets für den UKW-Radioempfang (87…108 MHz). Durch die Kapazitätsdioden-Abstimmung kann die Empfangsfrequenz mit einem Potentiometer eingestellt werden. Die Abstimmeinheit (Tuner) ist mit dem AN7213 aufgebaut:

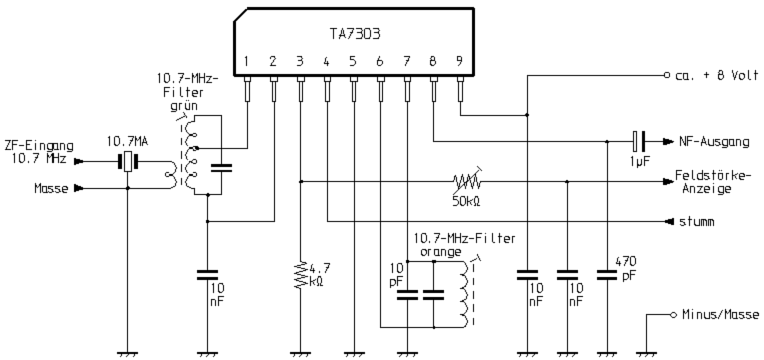
Der ZF-Teil arbeitet mit einem Schaltkreis vom Typ TA7303. Es kann als Abstimm- bzw. Feldstärkeanzeiger ein Messinstrument angeschlossen werden. Der ZF-Teil ist wie folgt geschaltet:

Prinzipiell eignet sich die Schaltung auch zum Empfang des 2m-Bandes. Zur Erzielung einer besseren Selektivität rate ich dann jeoch dazu, einen Doppelsuper-ZF-Teil zu verwenden. Dazu wäre der ZF-Teil auf 455 kHz umzudimensionieren. Zwischen Eingangs- und ZF-Teil ist dann ein Mischer einzufügen, der die ZF von 10,7 MHz auf 455 kHz umsetzt. Anderenfalls wäre bei einer so kleinen ZF die Spiegelselektion völlig unzureichend.