+++ 73 DE DL4CS +++

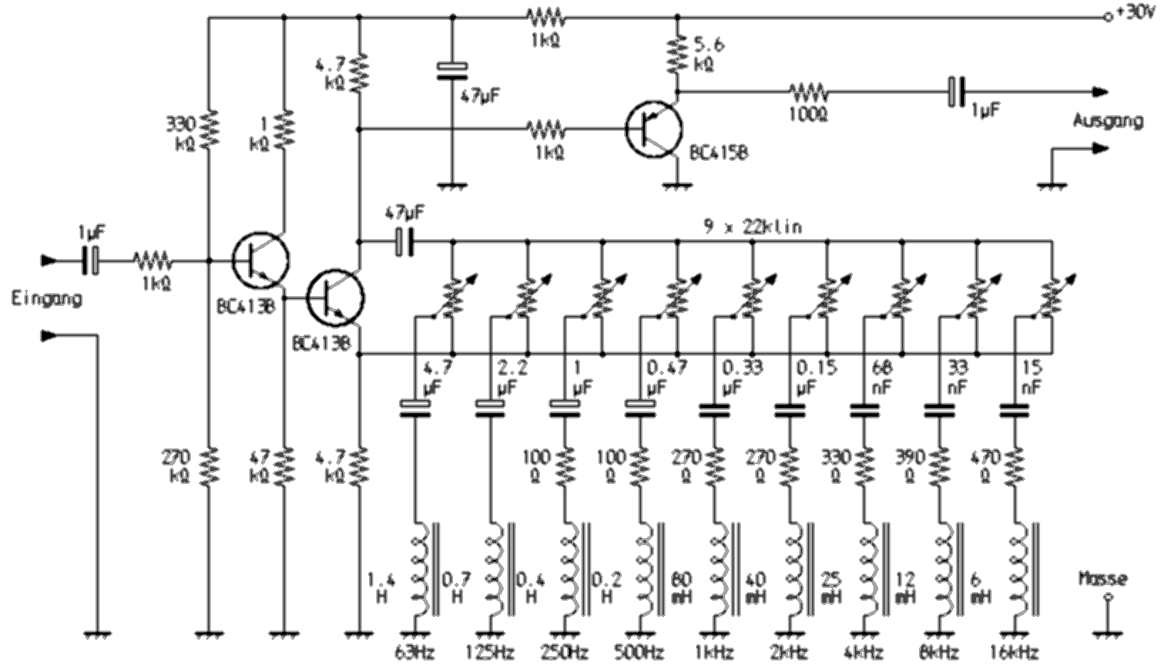
Equalizer-Schaltung für neun Bereiche mit LC-Kreisen

Diese Schaltung für einen Grafik-Equalizer kommt dank der LC-Schaltung auch ohne Verwendung integrierter Schaltkreise mit dennoch relativ wenigen Bauelementen aus.

Die Hauptschwierigkeit besteht jedoch in der Beschaffung der Spulen. Sie sind kaum selbst herstellbar. Daher wird man eher zu anderen Lösungen greifen. Man kann z.B. die Schaltung beibehalten und die Spulen durch Gyratoren ersetzen. Dies bedingt jedoch einen erheblich höheren Schaltungsaufwand, da für Stereo die Schaltung zweimal benötigt wird und so insgesamt 18 Gyratoren aufgebaut werden müssen. Mir gelang es, an passende Spulen durch Ausbau aus einem alten, defekten Auto-Equalizer zu gelangen.