+++ 73 DE DL4CS +++

Digitalschaltungen aus diskreten Einzelbauelementen

Beim Begriff „Digital“ denkt man heute meistens an komplexe Steuerungen oder Signalverarbeitungen mit elektronischen Bauelementen hohen Integrationsgrades, wie z.B. Mikroprozessoren. Eigentlich aber arbeitet selbst ein gewöhnlicher Lichtschalter digital, denn es gibt auch hier nur zwei Zustände, nämlich „an“ und „aus“.

Exklusiv-Oder-Gatter ohne Stromversorgung

Schaltbild eines diskret aufgebauten Exklusiv-Oder-Gatters (EXOR), welches keine Stromversorgung benötigt.

In der Elektronik benötigt man häufiger Schaltungen, bei denen ein Schaltvorgang ausgelöst wird, wenn an einer der beiden Eingangsleitungen ein Signal anliegt, nicht jedoch, wenn keines oder aber wenn an beiden Leitungen eines anliegt. Eine Logik-Schaltung, die genau das bewirkt, nennt man Exklusiv-Oder-Gatter, kurz EXOR.

Die gezeigte Schaltung kommt ohne Speisespannung aus. Das Ausgangssignal wird entweder über den 22kOhm Widerstand aus Eingang 1 oder über die Diodenstrecke des oberen Transistors aus Eingang 2 gewonnen.


Elektronischer Umschalter

Häufig werden in elektronischen Geräten Schalter benötigt, mit denen sich eine einzige Funktion ein- bzw. ausschalten lässt bzw. zwischen zwei Betriebszuständen umgeschaltet werden soll, wie etwa bei Schaltern für Klangfilter (z.B. Loudness) in Stereoverstärkern. Bei Amateurfunkgeräten findet man oft eine ganze Reihe solcher Funktionen, wie z.B. die Einschaltmöglichkeit eines Störbegrenzers oder die Umschaltmöglichkeit zwischen hoher und niedriger Sendeleistung. Bei Selbstbau-Geräten verwendet man hierfür zumeist kleine Kipp- oder Schiebeschalter. Wie bei moderneren käuflichen Geräten kann man aber auch in Selbstbaugeräten einen elektronischen Tastensatz verwenden, bei dem sich die einzelnen Funktionen unabhängig voneinander ein- und ausschalten lassen. Nach einmaligem Drücken des jeweiligen Tasters wird die gewünschte Funktion ein- bzw. umgeschaltet, nach nochmaligem Drücken kehrt die Schaltung in den Ursprungs-Zustand zurück. Mit der folgenden, pro Taster jeweils eimal benötigten Schaltung kann genau dies erreicht werden:

Schaltplan eines diskret aufgebauten elektronischen Umschalters mit Teiler- bzw. Toggle-Flip-Flop.

Kern der Schaltung ist ein Toggle- bzw. Teiler-Flipflop - kurz oft auch als T-Flipflop bezeichnet. Es handelt sich um eine Schaltung, die früher oft auch als Frequenzteiler bzw. -Untersetzer verwendet wurde, denn zweimaliges Drücken des Tasters bewirkt einmaliges, viermalige Betätigung zweimaliges Ein- und Ausschalten. Durch die Diode in der einen Basisleitung gerät nach dem Einschalten immer der Transistor ohne diese Diode in den leitenden Zustand. Somit hat dieser elektronische Umschalter einen definierten Einschaltzustand: nach dem Einschalten leuchtet immer Leuchtdiode 1. Wird der Taster betägt, erlischt sie und Leuchtdiode 2 beginnt zu leuchten. Nach nochmaligem Drücken des Tastschalters wird der Einschaltzustand wieder hergestellt.

Bezüglich der Steuerung externer Funktionen gelten sinngemäß die beim Tastensatz mit Speicherfunktion dargelegten Ausführungen. Wird zur Anzeige des Betriebs-Zustandes nur eine Leuchtdiode benötigt, kann die jeweils aus 12k-Ohm- und 470-Ohm-Widerstand sowie einem Transistor bestehende Ansteuerschaltung für die andere Leuchtdiode entfallen.

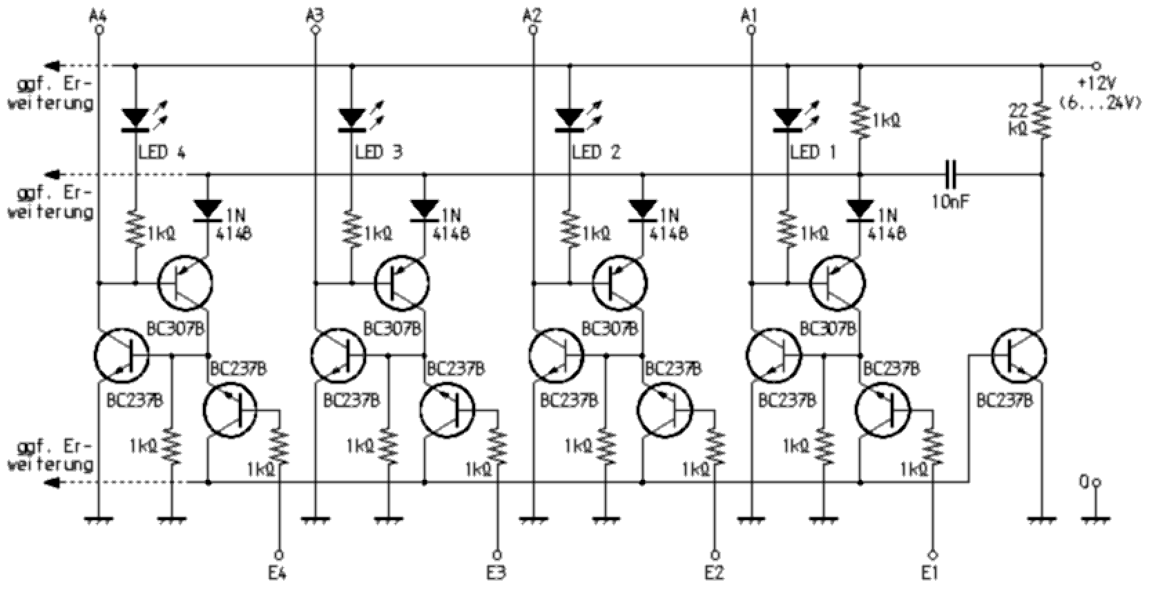
Elektronische Drucktasten-Ersatzschaltung

Bei elektronischen Geräten benötigt man oft die Möglichkeit, zwischen verschiedenen Betriebsmodi umschalten zu können. Wenn etwa ein Amateurfunkgerät für verschiedene Betriebsarten (z.B. FM, AM, SSB, CW) oder Frequenzbereiche ausgelegt ist, wird eine Umschalt-Möglichkeit benötigt. Analog dazu findet man bei herkömmlichen Stereo-Verstärkern meistens einen Signalquellen-Umschalter  (z.B. Phono, CD, Tuner, Tape) und bei Radios und Weltempfängern den Umschalter für den Wellenbereich (z.B. LW, MW, KW, UKW). Bei Selbstbau-Geräten werden für solche Zwecke gerne Drehschalter verwendet, an dessen Bedienungsachse sich ein gewöhnlicher Potiknopf befestigen lässt. Früher benutzte man dafür auch häufig Drucktasten-Sätze, bei denen nach Drücken einer Taste die zuvor gedrückte durch eine dafür vorgesehene Mechanik wieder heraussprang. Bei vielen moderneren käuflichen Geräten vorhanden, lässt  sich so etwas bekanntlich auch mit einer Elektronik nachbilden. Weniger bekannt ist aber die Tatsache, dass dazu nicht unbedingt spezielle integrierte Schaltkreise benötigt werden oder gar ein Mikroprozessor im Gerät vorhanden sein muss. Wie diese Schaltung zeigt, hält sich der Aufwand auch mit Einzelkomponenten in Grenzen:

Schaltplan eines diskret aufgebauten elektronischen Drucktasten-Aggregates mit gegenseitiger Löschfunktion.

Die Eingänge E1 bis E4 werden mit Tastschaltern verbunden. Gelangt durch Drücken eines dieser Taster an einen Eingang ein positiver Impuls, so erleuchtet die dazu gehörige Leuchtdiode und die zuvor leuchtende erlischt.

Um mit der Schaltung externe Funktionen steuern zu können, lassen sich Miniatur-Relais verwenden, die mit den Ausgängen A1-A4 und auf der anderen Seite mit Plus verbunden werden. Bei passenden Werten der Erregerspule können die Relais auch anstelle der Vorwiderstände eingefügt werden. Zur Vermeidung von schädlichen Spannungsspitzen sollten, sofern nicht schon in den Relais vorhanden, parallel zu den Spulen in Sperrichtung gepolte Dioden geschaltet werden (Kathode an plus).

Selbstverständlich besteht auch die Möglichkeit, die Spannung an den Kollektoren der Transistoren auszuwerten (Ausgänge A1-A4). Zu beachten ist, das der aktive Zustand dann jeweils Null (logisch „L“) ist, also im passiven Zustand eine (höhere) Spannung vorhanden ist. Zur Ansteuerung von Schaltdioden oder FET-Analogschaltern muss das Signal also gegebenenfalls invertiert werden.

Die jeweils an den Kollektoren und Basen miteinander verbundenen NPN- und PNP-Transistoren bilden in dieser Weise geschaltet Thyristor-Tetroden. Anstelle dieser Transistor-Kombinationen lassen sich folglich auch entsprechende Bauelemente verwenden (z.B. BRY39), die heute aber schwerer zu beschaffen bzw. vergleichsweise teuer sind. Diese Thyristor-Tetroden dienen in der vorgestellten Schaltung quasi als einfache RS-Flip-Flops, die per Tastendruck gesetzt werden. Man spricht bei Thyristoren vom gezündeten Zustand, wenn sie leitend sind. Die an den Eingängen angeordneten Transistoren dienen lediglich als Dioden. Sie können auch jeweils durch zwei einzelne Dioden ersetzt werden (z.B. 2x 1N4148). Mit diesen Dioden wird der Löschzweig von den Setz-Eingängen entkoppelt. Der in der Schaltung ganz rechts angeordnete Transistor erzeugt in Kombination mit dem 10nF-Kondensator die Löschimpulse zum Zurücksetzen der jeweils noch gezündeten Thyristor-Ersatzschaltung.

Die mit einzelnen Bauelementen realisierte Schaltung hat verschiedene Vorteile. So lässt sich die Schaltung durch andere Dimensionierung und Auswahl anderer Bauteile problemlos an unterschiedliche Forderungen anpassen, etwa bezüglich der Speisespannung und des gewünschten Ausgangsstroms. Ferner besteht die Möglichkeit, die Schaltung für eine negative Versorgungsspannung auszulegen, indem die NPN-Transistoren durch PNP-Transistoren und PNP-Typen durch NPN-Ausführungen ersetzt werden. Außerdem müssen dann selbstverständlich sämtliche Dioden anders herum eingebaut werden. Durch Anfügen weiterer Stufen läßt sich die Schaltung erweitern oder verkleinern, so dass sich z.B. Tastensätze mit drei, fünf, sechs oder noch mehr Tasten nachbilden lassen.

Digitale LED-Ziffernanzeige mit Dioden-Decodierung

Mit dieser Schaltung läßt sich eine Siebensegment-Anzeige ansteuern. Es können die Ziffern 0,1,2,3,4,5,6,7,8,9 und 0 dargestellt werden. Bei Verwendung von Sillizium-Dioden (z.B. 1N4148) sollte die Schaltung mindestens mit 12 Volt betrieben werden. Die Anzeige-LEDs benötigen zur Spannung und zum Anzeigetyp passende Vorwiderstände.

Schaltplan zur Ansteuerung einer Siebensegment-LED-Anzeige mit Decodierung durch Dioden in reduzierter Anzahl.