+++ 73 DE DL4CS +++

Verboten: "Export"-Funkgeräte und Nachbrenner

Sprechfunkgeräte mit zu vielen Kanälen und zu großer Sendeleistung

Seit es in Deutschland Funkgeräte für den 27-MHz-Bereich gab, waren im Handel auch Geräte zu finden, deren Benutzung hierzulande verboten war. Anfänglich fügten Händler solchen Angeboten und Werbeanzeigen immer den Hinweis "nur für den Export" hinzu. Tatsächlich wurden solche Geräte, bei denen es sich - zumeist in Japan hergestellt - ja eigentlich um Importe handelte, aber in den seltensten Fällen wieder exportiert. Zunächst waren es vor allem Geräte, die wie die einfachen Walkie-Talkies aufgrund ihrer minimalistischen Schaltungstechnik die technischen Vorgaben des Fermeldetechnischen Zentralamtes (FTZ) nicht einhalten konnten. Dabei ging es insbesondere um die von solchen Geräten ausgehenden Störaussendungen, die den Radio- und Fernsehempfang sowie den Betrieb bei anderen Funkdiensten beeinträchtigen konnten. Zunehmend drängten bald aber auch Geräte auf den Markt, die über eine unzulässig hohe Sendeleistung und Anzahl von Kanälen verfügten. Mit dem CB-Boom in der zweiten Hälfte der 1970er Jahre waren die zwölf "heiligen" Kanäle, auf denen der Funkbetrieb jedermann gestattet war, oft überfüllt. Solche Geräte boten die Möglichkeit, sich mittels größerer Sendeleistung auf den Kanälen gut durchzusetzen. Außerdem konnte man damit auf ruhigere, für den CB-Funk jedoch nicht zugelassene Frequenzen ausweichen. Zunächst waren das meistens für den Betrieb in Autos vorgesehene Mobilgeräte, die eigentlich für den US-amerikanischen Markt bestimmt waren. Seinerzeit waren nämlich dort bereits 23 Kanäle und eine Sendeleistung von 3,5 Watt erlaubt. Basiserend auf solchen Modellen tauchten bei uns bald Funkgeräte mit immer mehr Kanälen und größeren Sendeleistungen auf. In Deutschland hatten die ersten solcher Geräte 24 Kanäle, von denen die Kanäle 1 bis 23 den US-Kanälen entsprachen. Kanal 24 war dann meistens die Frequenz 27,275 MHz der Kanalgruppe IV, die von den dortigen Nutzern - zumeist Mitglieder sogenannter Autohilfsclubs - vor allem als Anrufkanal verwendet wurde. Die amerikanischen 23-Kanalgeräte arbeiteten meistens mit einem Mischquarz-Synthesizer, bei dem mit jedem zusätzlichen Quarz vier weitere Kanäle verfügbar wurden. So dauerte es nicht lange, bis es Geräte gab, die seitens der Hersteller mit einer immer größeren Anzahl von Mischquarzen ausgerüstet waren, so dass bald auch Geräte mit 30, 46, 64 und sogar 69 Kanälen erhältlich waren.

In dieser Zeit, nämlich im Jahre 1977, wurde in den USA die Kanalzahl auf 40 erhöht. Das hatte zur Folge, dass eigentlich für den US-Markt bestimmte 23-Kanal-Funkgeräte aus Überbeständen den deutschen Markt zu Dumpingpreisen überschwemmten. Aber selbst die überwiegend schon mit PLL-Synthesizern arbeitenden US-Geräte mit 40 Kanälen waren bald in Deutschland zu bekommen, oft sogar in frequenzerweiterten Ausführungen mit 80 oder sogar 120 Kanälen. Eine großer Teil der CB-Funker hatte demzufolge bald mindestens auch ein illegales 27-MHz-Funkgerät und die Funkerei fand immer häufiger außerhalb des damals von 26,960 bis 27,280 MHz reichenden 27-MHz-Sprechfunkbandes statt. Nicht nur der Betrieb, sondern selbst der Besitz solcher Geräte war eigentlich verboten. Seitens der Behörden wollte man dem Treiben nicht weiter tatenlos zuschauen. Da man bei der Vielzahl der bereits verkauften Geräte bei den Nutzern kaum noch etwas ausrichten konnte, kam es bei vielen Händlern zu Hausdurchsuchungen und Beschlagnahmungen solcher Geräte. Dies hatte eine erste Welle des Sterbens von CB-Funk-Shops zur Folge, die zuvor deutschlandweit wie Pilze aus dem Boden geschossen waren. Bald mussten neben weiteren Funkshops sogar CB-Funkgerätehersteller ihren Betrieb einstellen. Ursache war vor allem, dass im Jahre 1981 die Anzahl der CB-Funkkanäle in Deutschland und einigen weiteren europäischen Ländern zwar auf 22 Kanäle erhöht wurde, aber fortan nur noch FM-Geräte mit der dafür eigentlich zu kleinen Senderleistung von 500 Milliwatt erlaubt waren. Damit einhergehend wurde bei uns der Verkauf fabrikneuer AM-Funkgeräte komplett verboten. Die neuen FM-Geräte wurden aber zu Ladenhütern und für gebrauchte AM-Geräte wurden bald nicht selten höhere Preise gezahlt, als sie seinerzeit mal neu gekostet hatten. Daraus entstand später unter Einbeziehung von CB-Funkverbänden der Kompromiss, dass in Deutschland im Jahre 1983 Funkgeräte mit 4 Watt Sendeleistung für die 40 US-Kanäle erlaubt wurden, allerdings nur für die in den USA seinerzeit nicht erlaubte Betriebsart FM. Die Benutzung der alten AM-Geräte blieb auf den Kanälen 4-15 erlaubt. Neue 40-Kanalgeräte durften zusätzlich auch mit 12 AM-Kanälen und 1 Watt Sendeleistung ausgestattet sein. Solche mussten allerdings bei der Fernmeldebehörde angemeldet werden und es war dafür eine monatliche Gebühr zu entrichten.



Abbildung des 24-Kanal-Exportfunkgeräts TS-624S von Sommerkamp

Das Autofunkgerät Sommerkamp TS-624S hatte die in den USA zulässigen 23 Kanäle und einen zusätzlichen Kanal, der mit einem speziellen Quarz bestückt werden musste. Bei den in Deutschland erhältlichen Exemplaren erlaubte jener Kanal 24 den Betrieb auf der Frequenz 27,275 MHz. Das Gerät hatte einen Doppelsuperhet-Empfänger und arbeitete mit Mischquarz-Synthese. Es war damit deutlich aufwändiger konstruiert, wie das in gleicher Optik erhältliche Modell TS-600G mit 6 bzw. 8 Kanälen und K-FTZ-Nummer.



Abbildung des 26-Kanal-Exportfunkgeräts M-5027 von Saturn

Das Autofunkgerät Saturn M-5027 war eigentlich für den amerikanischen Markt bestimmt. Anstelle des dort vorhandenen Delta-Tune-Schalters hatte es einen Schalter für drei zusätzliche, ebenfalls mit Spezialquarzen bestückbare Kanäle, die gern für die Kanalgruppe IV benutzt wurden. Die Zusatzkanäle ließen sich schalten, wenn der Kanal-Drehwähler zwischen Kanal 22 und 23 eingestellt war. Unter der Bezeichnung TFT AM-2001 gab von diesem Gerät auch eine für den deutschen Markt bestimmte, legale Version mit 500 Milliwatt Sendeleistung und 12 Kanälen, wenig später aber auch eine erweiterte Exportversion mit 69 Kanälen.



Abbildung des 64-Kanal-Exportfunkgeräts TS-664S von Sommerkamp

Im selben Gehäuse eingebaut, wie das ursprüngliche Modell TS-727GT von Sommerkamp, war das technisch wesentlich anders und aufwendiger aufgebaute Modell TS-664S mit 64 Kanälen. Im Gegensatz dazu arbeitete das Gerät mit einem Doppelsuperhet-Empfänger und hatte einen Mischquarz-Synthesizer sowie eine deutlich größere Sendeleistung, selbst wie die US-Geräte. Das Gerät war eine Weiterentwicklung, die aus den Geräten TS-630S und TS-660S mit 30 bzw. 60 Kanälen hervorgegangen war. Von den legalen Geräten optisch unterscheidbar war es vor allem durch den Delta-Tune-Einsteller links unterhalb des Kanalschalters.



Abbildung des japanischen 69-Kanal-Exportfunkgeräts CB-769

Das japanische 27-MHz-Funkgerät CB-769 war vor allem in Italien beliebt und verbreitet, obgleich es auch dort verboten war. Mit dem Bandschalter konnten die drei Bereiche "LOW", "MID" und "HI" geschaltet weden, die jeweils 23 Kanäle umfassten. Der Bereich "LOW" entsprach dabei den 23 US-Kanälen, denn auch dieses Modell basierte auf einem 23-Kanal-Funkgerät für den US-Markt. Die Sendeleistung war nur geringfügig höher, wie bei dem US-Gerät, das als Basis für dieses Modell gedient hatte. Einige, aber eher wenige Exemplare gelangten als sogenannte Exportgeräte auch nach Deutschland.



Abbildung des 40-Kanal-Exportfunkgeräts ME-400 von Mectron

Obgleich noch mit einer herkommlichen Kanalanzeige mit Skalenscheibe ausgestattet, war das Mobilfunkgerät Mectron ME-400 schon mit einem digitalen PLL-Synthesizer ausgerüstet. Auch diese Konstruktion war ursprünglich für den US-Markt bestimmt und für die dort im Jahre 1977 eingeführten 40 Kanäle ausgelegt. Diese Geräte wurden bald auch in Deutschland in großen Stückzahlen angeboten, obwohl hier der CB-Funk weiterhin nur auf 12 Kanälen erlaubt war. Die Geräte kosteten hierzulande seinerzeit weniger als die Hälfte von dem, was für ein vergleichbares legales 12-Kanalgerät mit FTZ-Nummer ausgegeben werden musste.



Abbildung des 40-Kanal-Exportfunkgeräts Orion-40, baugleich mit dem Modell 8035 von Pace

Auch bei dem Autofunkgerät Orion 40, welches bereits über eine digitale Kanalanzeige verfügte, handelte es sich um ein eigentlich für den US-amerikanischen Markt bestimmtes 40-Kanalgerät. Dort wurde es unter dem Markennamen Pace als Modell 8035 angeboten. Die im Bereich von 26,965 bis 27,405 MHz einstellbaren Kanalfrequenzen wurden auch bei diesem Gerät bereits mittels eines PLL-Synthesizers erzeugt. Bei uns gab es bald auch eine 80-Kanal-Version von diesem Gerät, bei welchem mit dem eigentlich für den Störbegrenzer (ANL) vorgesehenem Schalter zwischen 40 Low- und 40-High-Kanälen gewählt werden konnte. Dazu wurde lediglich ein Quarz in der PLL-Schaltung umgeschaltet.



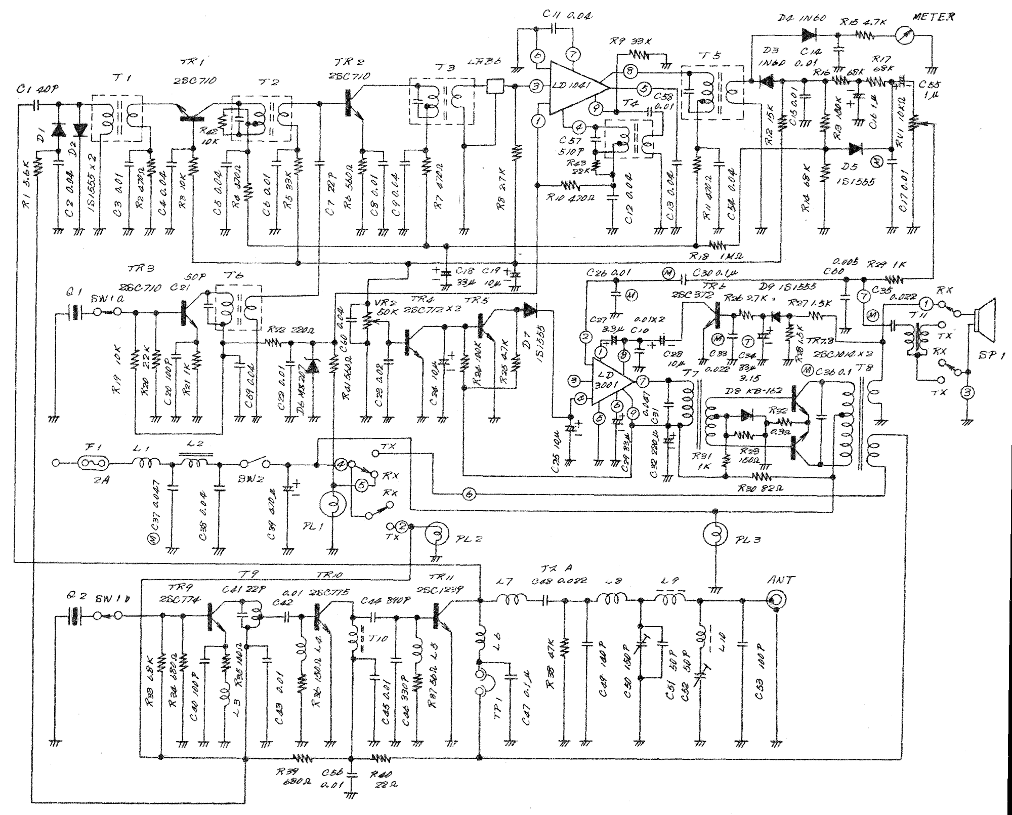
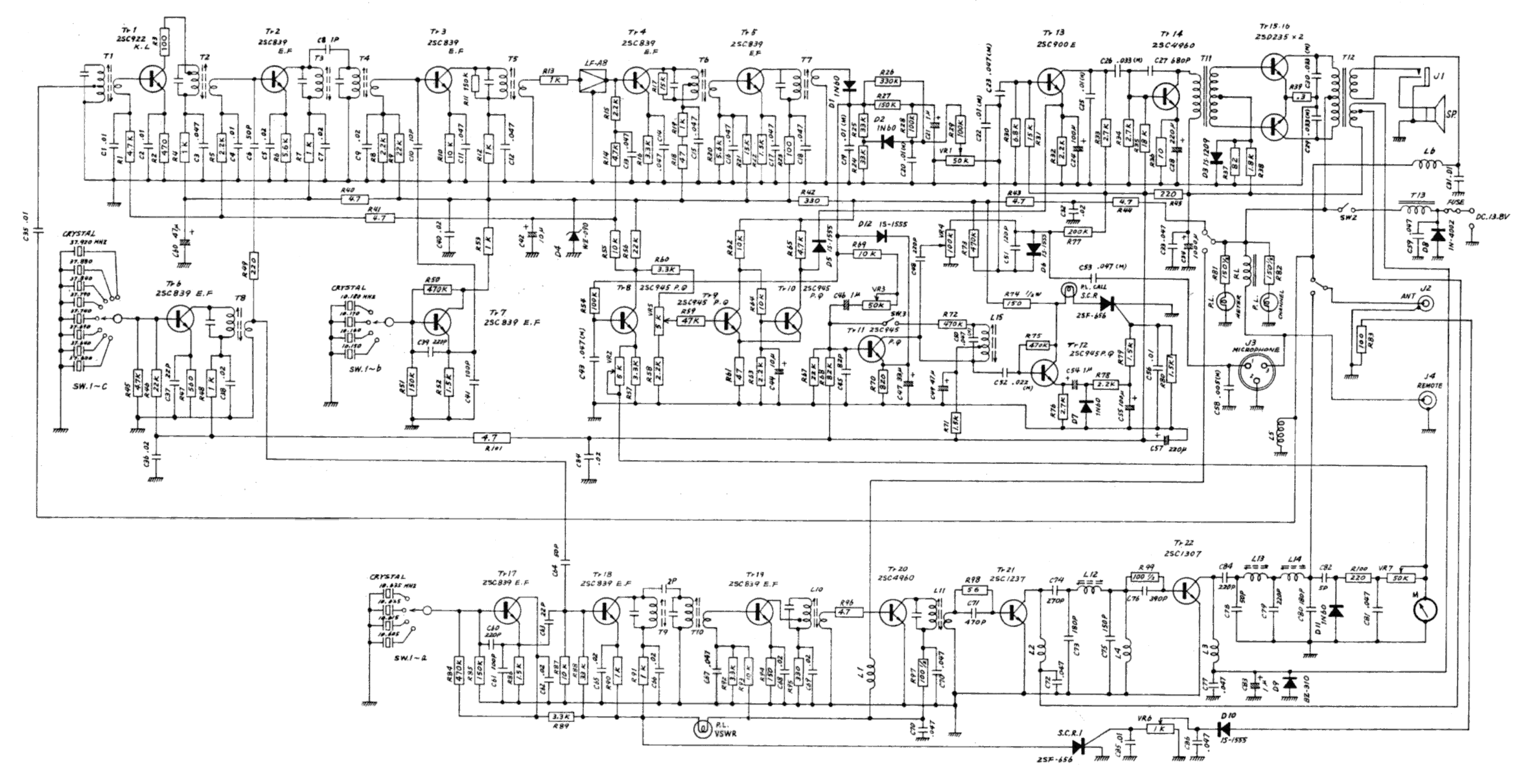
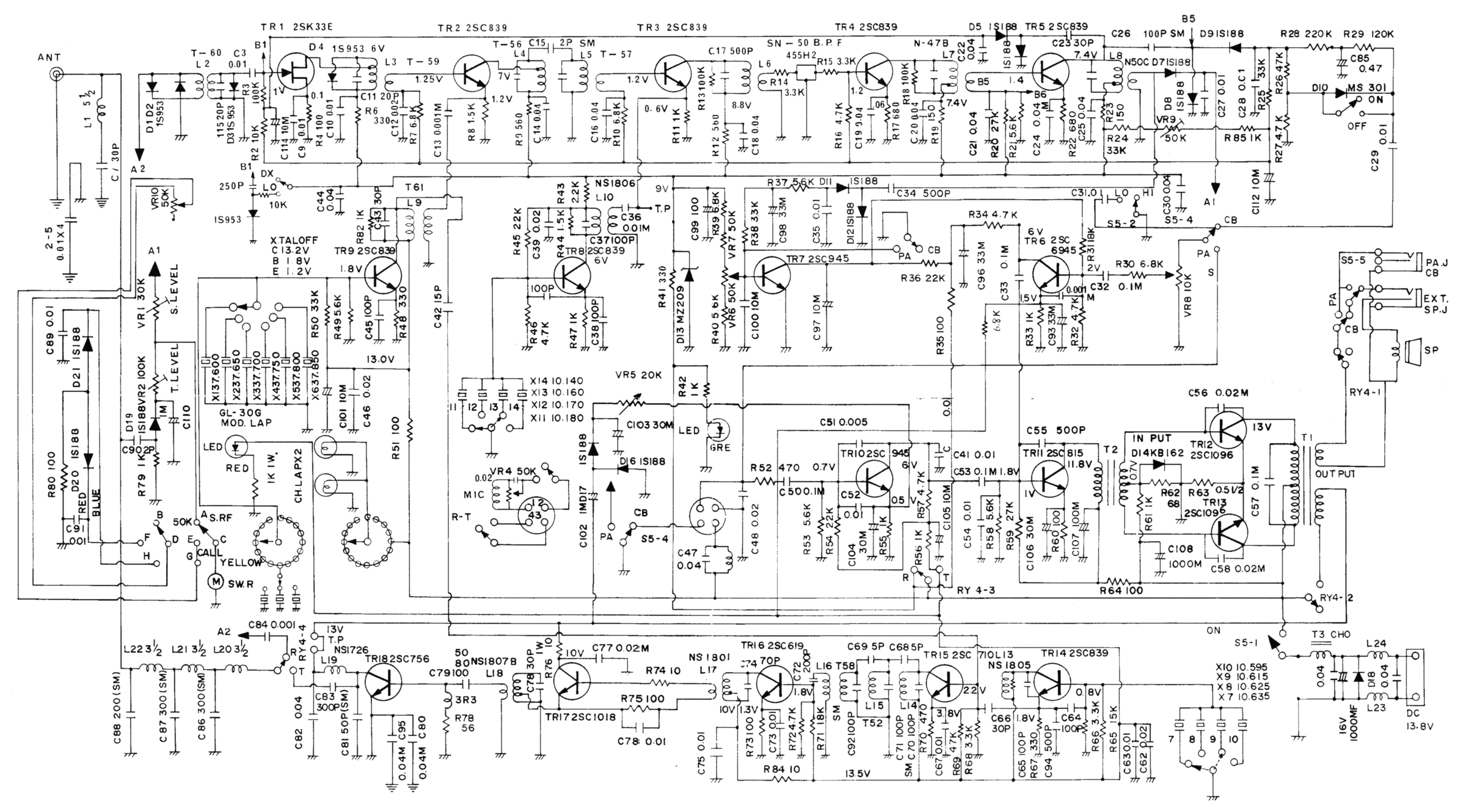
Schaltpläne einiger sogenannter Exportgeräte für das 27-MHz-Band




Noch mehr Sendeleistung mit illegalen Nachverstärkern


Abbildung des röhrenbestückten Sender-Leistungsverstärkers UK-370 von Amtron.

Beliebt war bei vielen CB-Funkern die Verwendung von Nachbrennern, gelegentlich werden sie auch heute noch eingesetzt. Zwischen Funkgerät und Antenne geschaltet, können sie die Sendeleistung erheblich verstärken und je nach Modell Leistungen erzeugen, die ein Vielfaches der beschriebenen Export-Geräte erreichen. Vor der Verwendung solcher Leistungsverstärker kann jedoch nur gewarnt werden: Sie konnten und können dem Benutzer erheblichen und äußerst kostspieligen Ärger einbringen. Während selbst Funkgeräte, die nicht für den europäischen Binnenmarkt hergestellt wurden, am Senderausgang praktisch immer ein Oberwellenfilter besitzen, wird dieses bei Nachbrennern meist einfach weggelassen. Die Antenne wird stattdessen lediglich über ein einfaches Netzwerk angeschlossen, welches die Ausgangsimpedanz der Verstärkerstufe an die 50-Ohm-Zuleitung anpasst. Manche Funkgeräte entsprechen zwar nicht den hierzulande geltenden Reglementierungen, erfüllen aber meist die Bestimmungen anderer Länder, was ohne Oberwellenfilter nirgendwo möglich wäre.

Schaltplan eines typischen Transistor-Leistungsverstärkers aus den 1970er Jahren zur Vergrößerung der Sendeleistung von CB-Funkgeräten.

Aus der Schaltung eines typischen Transistor-Nachbrenners geht hervor, dass praktisch keinerlei Maßnahmen zur Unterdrückung der Oberwellen ergriffen wurden. Hier findet man lediglich ein frequenzabhängiges Anpassnetzwerk, welches aufgrund seiner geringen Güte die unerwünschten Harmonischen nicht einmal um 20 dB absenkt – also um gerade einmal drei S-Werte. Folglich gelangen die unerwünschten Frequenzen mit Leistungen von mehreren hundert Milliwatt an die Antenne. Ohne es zu wissen, sendet man beispielsweise auf der dritten Harmonischen im 4m-BOS-Band mit einer Ausgangsleistung, die der Nutzleistung vieler Handsprechfunkgeräte entspricht. Störungen anderer Funkdienste sind damit nahezu vorprogrammiert.

Oft erzielen solche Verstärker nur einen Gewinn in der Größenordnung von 6 bis 9 dB, was etwa ein bis anderthalb S-Werten entspricht. An üblichen CB-Testgeräten wird dem Nutzer jedoch eine weitaus höhere Hochfrequenzleistung vorgegaukelt. Der Grund: Diese Messgeräte erwarten ein oberwellenarmes Signal. Mit zunehmender Frequenz reagieren sie jedoch immer empfindlicher. Aufgrund der vorhandenen kräftigen Oberwellen zeigen diese Geräte dann gigantische Leistungen von beispielsweise 100 Watt an, obwohl das eigentliche Nutzsignal lediglich eine Leistung von etwa 25 Watt erreicht.

Schaltplan eines typischen Röhren-Leistungsverstärkers aus den 1970er Jahren zur Vergrößerung der Sendeleistung von CB-Funkgeräten.

Günstiger stellt sich die Situation bei Leistungsverstärkern dar, die mit Röhren arbeiten. Diese produzieren prinzipiell weniger Oberwellen. Zudem wird der Ausgangskreis durch den relativ hochohmigen Röhrenausgang weniger belastet, was in einer höheren Kreisgüte resultiert. Man erzielt hier also eine bessere Unterdrückung der ohnehin schwächer ausgeprägten Harmonischen. Bei einfachen Röhren-Nachbrennern findet man oft nur einen Schwingkreis mit Ankoppelwicklung für den Antennenanschluss. Diese bieten zwar eine schlechtere Unterdrückung als die in klassischen Amateurfunk-Transceivern verwendeten Pi-Filter (mit zwei Drehkondensatoren und einer Längsspule), sind aber dennoch im Vorteil gegenüber billigen Transistorstufen. Wer als lizenzierter Funkamateur ein solches Gerät legal betreiben möchte, sollte daher gezielt auf hochwertige Ausführungen achten, die einen Pi-Filter-Ausgang haben. Doch Vorsicht: Bei den recht hohen Leistungen dieser Verstärker – oft mit Röhren vom Typ EL509 oder EL519 bestückt – kann trotz der besseren Filterung auch hier schnell eine Oberwellenleistung erreicht werden, die Störungen in anderen Funkanlagen verursacht. Es empfiehlt sich daher das Zwischenschalten eines zusätzlichen Oberwellenfilters, welches als Zubehör erhältlich ist, bei nicht allzu großem Aufwand aber auch selbst gebaut werden kann.

Abbildung des röhrenbestückten Sender-Leistungsverstärkers 'Speedy' von CTE.