Bausatz-QRP-Transceiver HW-7 von Heathkit
Mitte der 1970er Jahre kam von Heathkit der Bausatz für einen einfachen und kompakten KW-Transceiver heraus, der immerhin den Betrieb auf drei Bändern ermöglichte, der aber lediglich für Telegrafie ausgelegt war. Eine Besonderheit war damals, dass hier ein Direktmisch-Empfänger zum Einsatz kam. Einen reiner Empfänger dieser Bauart ist der hier von mir an anderer Stelle vorgestellte DL0VV-Empfänger, der etwa Anfang der 1970er Jahre entwickelt wurde. Bei diesem Empfangsprinzip wird der Produktdetektor direkt mit einem auf der eingestellten Empfangs-Frequenz arbeitenden VFO betrieben, so dass die Selektion nur noch NF-seitig mittels eines Tiefpasses erfolgt. Auf diese Weise lassen sich CW- und SSB-Signale in guter Qualität empfangen, es gibt jedoch keine Unterdrückung im Bereich des unerwünschten Seitenbandes. Bei CW lässt sich ein dort vorhandenes störendes Signal gegebenenfalls auf Schwebungsnull abstimmen. Dem geübten Telegrafisten gelingt es ansonsten auch, mittels seines "selektiven Gehörs" die Gegenstation anhand der Tonhöhe herauszuhören. Zu Zeiten, als Audionempfänger das Standardgerät in der Amateurfunkstation waren, machte man es ohnehin nur so. Übrigens verwendete man bei den später herausgekommenen Heathkit CW-Transceivern HW-8 und HW-9 keinen Direktmisch-Empfänger mehr. Diese Tatsache beschert dem HW-7 heute gewissermaßen einen Kultstatus, so dass selbst restaurierungsbedürftige Geräte oft Preise erzielen, für die man auch einen gebrauchten Fünfband-SSB-Transceiver bekommen kann.
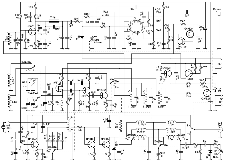
Beim hier vorgestellten Transceiver erkennt man in der Eingangsstufe eine große Ähnlichkeit mit dem DL0VV-Empfänger. Die NF-Filterung erfolgt im Gegensatz dazu jedoch mit einem steilflankigen LC-Tiefpass. Der NF-Verstärker arbeitet mit einem hoch verstärkenden IC, das jedoch ausgangsseitig nur den Anschluss eines Kopfhörers zulässt. Der VFO arbeitet für den 40m-Betrieb im 80m-Gebiet und für 20 und 15 Meter im 40m-Bereich. Auf den VFO folgt eine Pufferstufe und darauf ein Vervielfacher, der das Signal auf die Endfrequenz bringt. Für 15m arbeitet er somit als Verdreifacher und ansonsten als Verdoppler. Auffällig ist, dass im gesamten Gerät auf eine Spannungsstabilisierung verzichtet wurde, so dass der HW-7 an einer recht stabilen Spannung betrieben werden muss. Überhaupt funktioniert das nur, weil die NF-Endstufe eine nur geringe und infolge des A-Betriebs kaum schwankende Stromaufnahme hat. Beim direkten Betrieb an einer nicht mit dem Bordnetz verbundenen 12V-Autobatterie gibt es keinerlei Probleme. Besser ist aber ganz sicher, das Gerät über eine elektronisch stabilisierte Spannung zu betreiben bzw. das Gerät zumindestens mit einer Stabilisierung für VFO und Pufferstufe nachzurüsten.

Es kommt ein Sender zum Einsatz, der auch mit Quarzsteuerung betrieben werden kann. In dieser Betriebsart ist die Schaltung des dann zweistufigen Senders Muster für zahlreich von Amateuren selbst gebaute QRP-Sender. Beim HW-7 kann der Sender aber auch mit dem VFO verbunden werden, der auch für den Empfang verwendet wird. Das Gerät arbeitet so transceive, also sende- wie empfangsmäßig auf der gleichen Frequenz. Beim Funkverkehr zwischen zwei solchen Geräten können sich beiden Stationen gut hören, wenn mit einem Frequenzversatz von einigen hundert Hertz gearbeitet wird.
Für einen geübten Funkbastler ist es prinzipiell nicht schwer, einen solchen Transceiver auch ohne den Bausatz aufzubauen. Da es Beschaffungsprobleme für die Spule im NF-Tiefpass und für das NF-Verstärker-IC geben dürfte, empfehle ich, an dieser Stelle die Schaltung vom DL0VV-Empfänger zu übernehmen. Eine weitere Schwierigkeit ist die Beschaffung eines Bandwahlschalters. Abgesehen davon, dass ein Umschalter mit drei Schaltstellungen und sieben(!) Schaltebenen benötigt wird, ließe sich ein normaler Drehschalter nicht nur deshalb nicht ohne weiteres verwenden. Hier ist nämlich der Abstand zwischen den Kontakten der verschiedenen Ebenen zumeist recht klein, so dass es zu Rückwirkungen zwischen den Aus- und Eingangsstufen kommen kann, welche den Sender nicht stabil arbeiten lassen. Beim im Originalgerät vorhandenen Drucktastensatz kann dagegen ein ausreichender Abstand zwischen den Kreisen vom VFO, Vervielfacher, Treiber und Endstufe eingehalten werden. Bei einem komplett selbst konstruierten Gerät ist es ein gangbarer Weg, indem die Kreise unabhängig voneinander mit getrennten Schaltern umgeschaltet werden. Wer sich an dem erhöhten Bedienaufwand stört, der kann auch kleine Relais verwenden, die sich HF-mäßig günstig platzieren lassen. Eine andere, wiederum bedienungsintensivere aber wesentlich flexiblere Möglichkeit wäre der Einsatz von Steckspulen. So ließen sich ohne großen Aufwand auch Experimente auf anderen KW-Bändern durchführen.

Hier noch Hinweise zu den im Originalbausatz enthaltenen, heute recht exotischen Transistoren. Anstelle des 40673 lässt sich ohne weiteres ein BF981 verwenden und anstelle der MPF105 tun auch FETs vom Typ 2N3819 ihre Arbeit. Sämtliche PNP-Transistoren lassen sich durch Transistoren des Typs BC328 ersetzen. Anstelle der MPS6521 in Vervielfacher und Treiberstufe tut es jeweils auch ein 2N2222. In der Endstufe lässt sich anstelle der beiden parallel geschalteten MPSU05 ein BD135 benutzen und für die beiden NPN-Transistoren vom Typ 2N3393 verwendet man jeweils einen BC546 oder ähnlich.