+++ 73 DE DL4CS +++

KW-Antennentuner 80-10m ohne Bereichs-Umschaltung

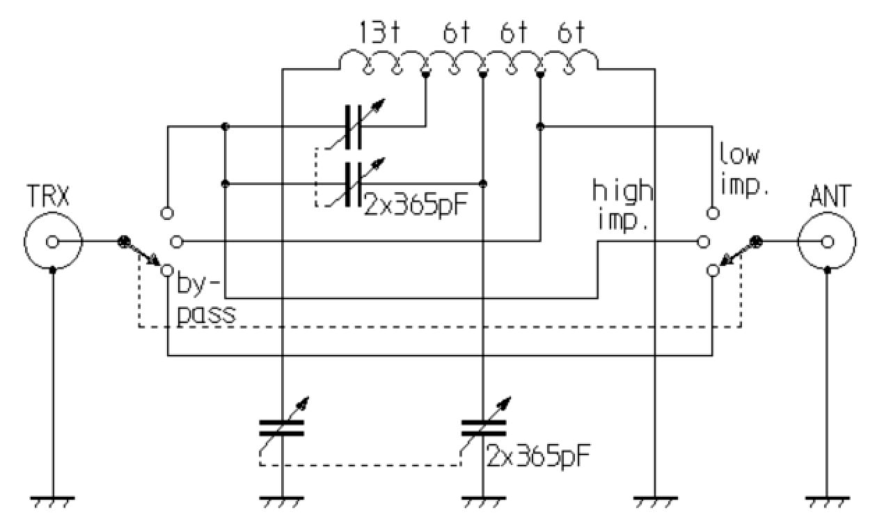
Mit diesem Antennentuner kann fast der gesamte KW-Bereich ohne Bereichsumschaltung abgedeckt werden. Es brauchen zur Abstimmung also nur die zwei Drehkos bedient werden, man muss somit keinen Bereichsumschalter mehr betätigten. Allerdings muss es sich bei den Drehkondensatoren um Zweifach-Ausführungen handeln, wie sie früher z.B. im Rundfunk-Empfängerbau gebräuchlich waren. Zu beachten ist, dass der eine Drehko isoliert vom Chassis montiert werden muss. Hierzu verwendete ich Isolier-Nippel, wie sie für die Montage von TO-3-Leistungstransistoren auf Kühlkörpern verwendet werden. Zu erkennen ist das auf dem zuletzt gezeigten Foto von der Geräteunterseite.

Die Schaltung geht auf die Bauvorschläge von PA0FRI zurück, die er als FRI-Match auf seiner Webseite veröffentlicht hat. Ich habe die Schaltung durch den Dreistufen-Umschalter erweitert. Mit diesem können Ein- und Ausgang vertauscht werden, ferner lässt sich der komplette Tuner damit abschalten. Als Drehkos habe ich fabrikneue Exemplare aus chinesischer Herstellung mit jeweils Maximalkapazitäten von 2x 365 pF verwendet. Die Spule (13+6+6+6 Windungen) ist mit isolierter 1mm-Installationsleitung auf ein Stück PVC-Installationsrohr mit 16 Millimetern Durchmesser gewickelt (Typ EN16). Für die Anzapfungen wird die Kunststoff-Isolation des Spulendrahtes an den entsprechenden Stellen weggeschmolzen, wozu sich z.B. eine ausgediente Lötspitze eignet.

Gleich nach Inbetriebnahme der Schaltung war ich von der einfachen Handhabung und den guten Eigenschaften der Schaltung überrascht. PA0FRI hat auf seiner Webseite also keinesfalls zuviel versprochen. Im Bereich von 80m bis 10m gelang es mir, auf allen KW-Amateurbändern fast beliebige Drähte an den Senderausgang meines Transceivers anzupassen. Der Tuner lässt sich gut vorabstimmen, indem beim Empfang zunächst auf maximales Rauschen eingestellt wird. Durch wechselweises Verstellen der Drehkos lässt sich dann das SWR fast immer auf Werte bei 1,5 und besser einstellen. Wenn das in der Standardstellung des Schalters (low impedance) nicht gelingt, verhilft die Schalterstellung mit vertauschtem Ein- und Ausgang (high impedance) rasch zu guten SWR-Werten. In diesem Modus ist mit entsprechenden Antennen-Drahtlängen übrigens eine bessere Abstrahlung erzielbar, wie mit der oft propagierten und weit verbreiteten Kombination aus Antennentuner und 1:9-Übertrager (sogenanntes Unun), ohne dass letzterer benötigt wird. Jener würde ohnehin nur zusätzliche Verluste einbringen.

Zum Beispiel kann ich mit diesem Tuner auch meine 10m-Groundplane auf den niedrigwelligeren KW-Bändern benutzen. Unterhalb des 20m-Bandes erziele ich dabei die eindeutig besseren Ergebnisse, wenn ich den Außenleiter des Koaxkabels durch Abschrauben des PL-Steckers vom Antennen-Anschluss des Tuners trenne, so dass quasi die Antennenzuleitung als zusätzlicher Langdraht wirkt. Dazu sollte der Außenleiter nicht geerdet sein. Dies beeinträchtigt die Funktion der Antenne auf 10m nicht, als elektrisches Gegengewicht dienen bei der Groundplane hier ja die Radials. Bei angeschraubten PL-Stecker kann ich in Schaltstellung Bypass bei ebenfalls gutem SWR mit der selben Antenne auch 2m-Betrieb machen. Die 10m-Antenne wirkt dabei dann als λ-5/4-Strahler.