+++ 73 DE DL4CS +++

Nachstimmschaltung zur Frequenz-Stabilisierung von VHF-Sendern

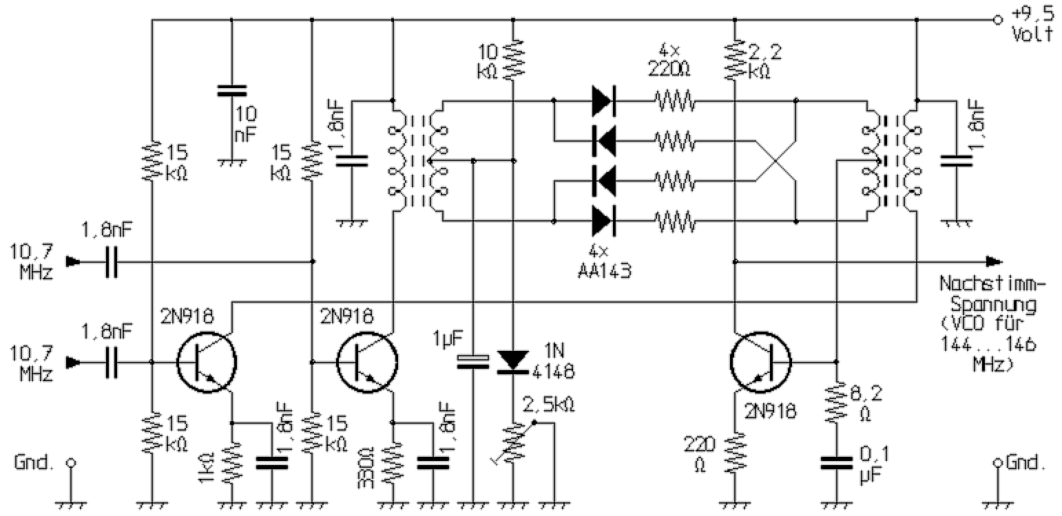
Für den Transceive-Betrieb von Funkgeräten muss das Sendesignal ausgehend vom Empfänger-Oszillator aufbereitet werden. Dieser arbeitet um die ZF des Empfängers von der eingestellten Frequenz versetzt, bei einem 2m-Funkgerät für 144 ... 146 MHz mit einer (ersten) Zwischenfrequenz von 10,7 MHz also im Bereich von 133,3 bis 135,3 MHz. Ein üblicher Weg ist es, dass das Oszillatorsignal beim Senden mit einem der ZF entsprechenden Signal gemischt wird, im Beispiel also mit einer Frequenz von 10,7 MHz. Hierbei können jedoch unerwünschte Mischprodukte auftreten. Außerdem ist es nicht ganz einfach, die Spiegelfrequenzen zu unterdrücken, die hier mit einem Bereich von 122,6 bis 134,6 im Flugfunkbereich liegen würden. Diese Probleme lassen sich umgehen, wenn der Sender einen eigenen Oszillator hat, dessen Frequenz durch den Empfängeroszillator synchronisiert wird.

Für die gezeigte Schaltung muss ein Signal vom Sender abgegriffen und mit dem Signal des Empfänger-Oszillators auf 10,7 MHz heruntergemischt werden. Jenes wird anschließend mit dem Signal eines 10,7-MHz-Quarzoszillators verglichen. Weichen diese beiden Signale voneinander ab, wird der Senderoszillator mit einer Nachstimmspannung auf die korrekte Frequenz geregelt. Es handelt sich bei dieser Schaltung sozusagen um eine primitive Form einer PLL. Sie wurde aus einer Lorenz-UKW-Funkanlage des Typs SEM-57 übernommen. Die Wicklungen der beiden Übertrager sind auf kleine HF-Ringkerne gewickelt. Mit dieser Anordnung könnte z.B. auch der zuvor gezeigte 48-MHz-VFO kontrolliert werden, wenn man anstelle des Abstimmkondensators eine Kapazitätsdiode mit ausreichendem Variationsbereich verwendet. Zur Herabmischung auf 10,7 MHz kann prinzipiell auch die ohnehin vorhandene Empfänger-Mischstufe herangezogen werden. Das Signal vom Sender wird sie aufrund ihrer Empfindlichkeit verarbeiten, ohne dass dazu eine Verbindung vom Sender hergestellt werden muss. Wichtig ist, dass ihre Speisespannung dann beim Senden nicht abgeschaltet wird.