+++ 73 DE DL4CS +++

Eine Empfangsantenne für Kurzwellen: Die Mini-Whip

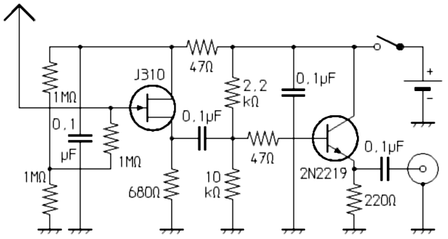
Bei der hier vorgestellten Mini-Whip-Antenne handelt es sich um eine besonders kleine, aber dennoch leistungsfähige Aktiv-Empfangsantenne. Sie basiert auf einem weit verbreiteten Bauvorschlag, wobei ich hier auf zufällig vorhandene Transistoren zurückgegriffen habe. Abweichend von den gängigen Bauanleitungen mit einer kupferkaschierten Fläche als Antennenleiter habe ich einen gekürzten Strahler einer VHF/UHF-Magnetfußantenne verwendet, der am Fußpunkt mit einem M3-Innengewinde abschließt und sich somit gut mit einer M3-Schraube montieren lässt. So trägt die Antenne dann die Bezeichnung "Mini-Whip" auch zurecht, es handelt sich jetzt in der Tat wieder um eine Peitschen-Antenne. Außerdem eröffnet das die Möglichkeit, mit verschiedenen Leiterlängen zu experimentieren. Es verwundert kaum, dass je nach Empfangsfrequenz unterschiedliche Längen günstig sind.

Die elektronische Schaltung habe ich auf 5,08mm-Lochrasterplatte mit Lötpunkten entsprechend des nachfolgenden Verdrahtungs-Schemas aufgebaut. Zur Stromversorgung verwende ich ein kleines Funknetzgerät mit ca. 13,8 Volt Ausgangsspannung. Viel kleiner sollte die Betriebsspannung im Interesse der Signalverträglichkeit bzw. eines guten Intermodulations-Abstandes auch nicht gewählt werden.

Die Antenne arbeitet sehr ordentlich, sofern sie außerhalb elektrischer Störfelder platziert wird. Die Nähe zu EDV-Anlagen, Schaltnetzteilen, LED-Lampen, Dimmern und sonstigen Störfeldern muss auf jeden Fall vermieden werden. Sofern die Möglichkeit besteht, ist es am besten, wenn man die Antenne außerhalb der Wohnung, z.B. in einiger Entfernung vom Haus im Garten unterbringt.