+++ 73 DE DL4CS +++

Anordnungen zur Vergrößerung der Modulations-Lautstärke

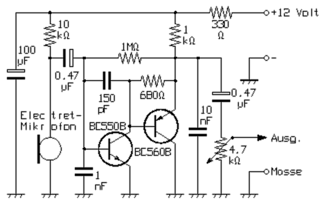
Schaltung eines Vorverstärkers für Funkmikrofone

Wenn die Ausgangsspannung des Mikrofons nicht ausreicht, den Modulator eines Senders voll auszusteuern, wird in der Regel ein Vorverstärker benötigt. Die hier gezeigte Schaltung eignet sich für Elektret-Kapseln mit zwei Anschlüssen. Dabei ist auf richtige Polung zu achten. Bei Kapseln mit drei Anschlüssen kann der 10kΩ-Widerstand enfallen. Der dritte Anschluss ist dann mit dem Pluspol vom 100µF-Elko zu verbinden. Ebenfalls ohne den Widerstand eignet sich die Schaltung auch für dynamische Mikrofonkapseln. Auf die Polung muss bei solchen Mikrofonen nicht geachtet werden.

 

Trotz des geringen Schaltungsaufwands bewirkt die Schaltung eine recht erhebliche Anhebung des Mikrofonsignals. Die Verstärkung ist von den Transistoren bzw. insbesondere ihren Stromverstärkungs-Faktoren abhängig und liegt etwa zwischen 30 und 40 Dezibel. Je nach verwendetem Mikrofon, Bespechungslautstärke und -Abstand kann mit einem Ausgangspegel von 0,1 bis 0,5 Volt gerechnet werden. Er kann mit dem ausgangsseitigen Poti reduziert und so auf den für den Modulator geeigneten Wert justiert werden.

Ein Dynamik-Kompressor für Funkmikrofone

Eine unabhängig von Besprechungs-Abstand und -Lautstärke gleichbleibend kräftige und damit gut verständliche Modulation erzielt man mit einem Kompressor-Mikrofon. Einfache Verstärkermikrofone bewirken lediglich einen insgesamt höheren Pegel an der Mikrofonbuchse des Senders. Bei lauter Besprechung oder zu dichtem Besprechungsabstand kommt es schnell zur Übersteuerung und die Modulation klingt verzerrt. Beim Kompressormikrofon sorgt eine spezielle Schaltung dafür, dass leisere Passagen im Pegel angehoben bzw. im Verhältnis dazu lautere abgesenkt werden, das NF-Signal wird mithin komprimiert. Bei einfachen Verstärkermikrofonen kann also die Modulation in Abhängigkeit von der Besprechungs-Entfernung und -Lautstärke mal verzerrt, mal noch immer zu leise sein. Mit einem Kompressormikrofon hingegen gelingt es, stets den optimalen Modulationsgrad zu erzielen.

Eine entsprechende Signalkompression läßt sich erzielen, indem der Mikrofonverstärker mit einer sogenannten ALC (Automatic Level Control) ausgestattet wird, die ähnlich wie eine automatische Aussteuerungskontrolle bei Musik-Aufnahmegeräten arbeitet. Dort wird ein Teil des Ausgangssignals vom Verstärker abgezweigt und einem Gleichrichter zugeführt. Die so entstehende Gleichspannung ist in ihrem Wert der Stärke des Ausgangssignals vom Verstärker proportional. Sie wird nun dazu verwendet, mit zunehmender Stärke das NF-Signal abzuschwächen. Im Gegensatz zur ALC in Musik-Aufnahmegeräten arbeitet die Regelung beim Kompressormikrofon mit wesentlich kleinerer Zeitverzögerung. Bei Musik würde das zu deutlich hörbaren Verzerrungen führen. Sprache klingt in solcher Weise komprimiert hingegen kräftiger. Insbesondere bei Störungen oder höherem Rauschanteil nimmt die Verständlichkeit erheblich zu.

Die gezeigte Schaltung habe ich speziell als Dynamikkompressor für den Funkbetrieb entwickelt. Sie kann zwischen einem normalen Funkmikrofon und dem Modulationseingang eines Senders eingefügt werden. Eine andere Möglichkeit besteht darin, mit ihr ein vollständiges Kompressormikrofon selbst zu bauen. Ich baute eine solche Schaltung in ein Pultgehäuse aus Metall, an dem ich ein ausgedientes Schwanenhalsmikrofon aus einer Taxifunk-Zentrale montierte. In dieser Weise enstand ein universell einsetzbares Kompressormikrofon für den Funk-Einsatz, das sich an nahezu beliebige Geräte optimal anpassen lässt.

Für eine möglichst laute Modulation bei zugleich geringen Verzerrungen wird der Pegel mit dem ausgangsseitigen Regler an die Empfindlichkeit des Mikrofoneingangs vom verwendeten Sender angepasst. Der 10-Kiloohm-Trimmer wird einmalig bei voll aufgedrehtem Empfindlichkeitspoti so abgeglichen, daß sich bei Nahbesprechung eine nur unwesentlich größere Lautstärke ergibt, als wenn man aus einiger Entfernung spricht. Einmal so eingestellt, wird im weiteren nur noch mit dem eingangsseitigen Poti gearbeitet. Es ist auf die jeweiligen Erfordernisse einzustellen. Dabei sollte eine gar zu große Reglerstellung im Interesse einer guten Verständlichkeit vermieden werden: Durch die Kompressionseigenschaften können sonst störende Nebengeräusche, wie etwa von einem Endstufen-Lüfter, einem Multimediagerät der Nachbarn, durch Vogelgezwitscher oder durch draußen vorbeifahrende Kraftfahrzeuge verursacht, schnell ebenso laut sein, wie die zu übertragende Sprache. Auch kann es bei der Übertragung zu einem unerwünscht starken Raumhall kommen. Sollte das auch bereits bei recht niedrig eingestellter Empfindlichkeit der Fall sein, läßt sich dem durch Anbringung von schallschluckenden Materialen (z.B. Filz oder Schaumstoff) an den zum Mikrofon nahegelegenden Wänden entgegenwirken. Ein verbleibender, leichter Raumhall kann gern in Kauf genommen werden: Die damit hervorgerufene Fülle der Modulation kann der Verständlichkeit sogar zuträglich sein.

Speech-Clipper mit Einzelbauelementen

Um die Modulation nicht nur bei leiseren Passagen, sondern insgesamt lauter erscheinen zu lassen, lässt sich ein sogenannter Speech-Clipper verwenden. Hier wir das Modulationssignal soweit verstärkt, dass die Signalspitzen abgeschnitten werden. Die infolge der dabei entstehenden Verzerrungen in Form von Oberwellen werden durch einen nachfolgenden Tiefpass reduziert. Die sich in dieser Weise vergrößernde Signaldichte führt bei geeignet großer Aussteuerung zu einer weniger schön klingenden, aber durchdringenden und bei kleineren Empfangs-Feldstärken besser verständlichen Modulation. Weniger kräftig ausgesteuert kann ein solcher Begrenzer bei FM-Sendern verwendet werden, um die Überschreitung des maximal vorgesehenen Frequenzhubs bei auftretenden Signalspitzen zu verhindern.

Bei der gezeigten Schaltung wird das Eingangssignal mit einer Transistor-Vorstufe verstärkt. Am Kollektor dieser Stufe befindet sich ein Trimmer, mit dem die Empfindlichkeit an das verwendete Mikrofon angepasst werden kann. Er sollte so eingestellt werden, dass nur die Spitzen des Mikrofon-Signals im nachfolgenden Verstärker begrenzt werden. Für FM-Sender wird ausgangsseitig der Frequenzhub auf den zum verwendeten Kanalraster passenden Wert eingestellt. Mit einem weiteren Trimmer lässt sich die Symmetrie der Begrenzung einstellen. Damit das Sendesignal keine unzulässig große Bandbreite bekommt, werden am Ausgang die infolge der Begrenzung entstehenden Oberwellen hier durch ein LC-Tiefpassfilter unterdrückt.

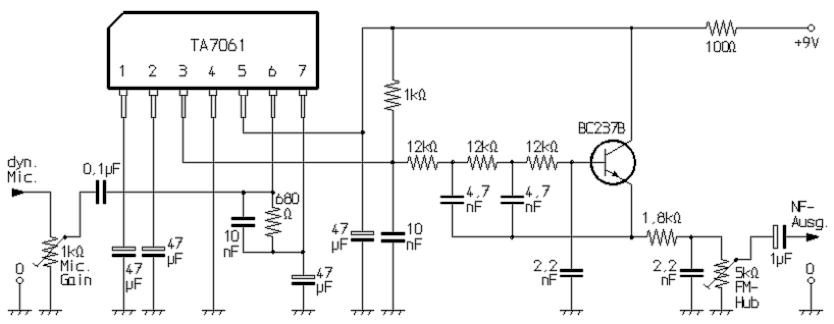
Modulations-Begrenzer mit dem IC TA7061

Mit kleinem Aufwand kann man mit dem integrierten Schaltkreis TA7061 einen sehr gut funktionierenden Modulationsbegrenzer aufbauen. Dieses IC ist eigentlich zum Einsatz von FM-ZF-Verstärkern in UKW-Radioempfängern und in analogen TV-Empfängern entwickelt wurden. Seine hervorragendenden Begrenzereigenschaften lassen sich aber auch im NF-Gebiet nutzen. Daher fand man ihn auch in vielen FM-Funkgeräten als Modulationsbegrenzer, etwa in den 2m-FM-Geräten Trio TR-2200G, Trio TR-7200G, Icom IC-22A und in CB-Funkgeräten von Grundig, wie z.B. das Modell CBM-200. Dies bewog mich, in einem Selbstbausender auch eine derartige Schaltung einzusetzen. Dabei heraus gekommen ist die unten gezeigte Schaltung, die ganz hervorragende Ergebnisse bringt. An den IC-Begrenzer schließt sich ein Tiefpass für den Sprach-Frequenzbereich an, so dass die bei der Begrenzung entstehenden Oberwellen minimiert werden. Der NF-Ausgang ist bei meinem Sender direkt mit dem mit einer Kapazitätsdiode arbeiteten FM-Modulator verbunden.